0904470
1 предложениеПроизводители:
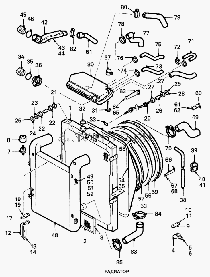
Daf
Часто ищут
- набор ключей sata 09043
- мембрана насоса d174 0904.036
- 13568-09041 ремень зубчатый
- 090-095-30 кольцо fpm гост
- кольцо 090-096-36 силикон
- кольцо 090-095-30 гост 9833-73
- кольцо резиновое 090-096-36,
- кольцо силиконовое 090-096-36
- фильтр масляный mo-090
- манжета 2-090-3 гост 6678-72
- 090948 диск сцепления
- кольцо 090-100-58 гост 9833-73
- кольцо резиновое 085-090-2.5
- круг поворотный дз-95б.34.090
- кольцо уплотнительное 090-098-46-2-2 гост 9833-73
- набор инструмента sata 09014
- набор ударных отверток rst-090
- 085-090-25-2-3 кольцо уплотнительное
- кольцо уплотнительное 080-090-50
- рукав приемный анм-53 0900000