To content
Оптовикам
Поставщикам
Помощь по сайту
Новости
zapros@autopiter.ru
Контакты
Все категории
Каталоги запчастей
Москва
Вход
Корзина
Все категории
Каталоги запчастей
Фильтры Hebel Kraft
Оригинальные каталоги по VIN
Неоригинальные запчасти
Запчасти ВАЗ, ГАЗ, КАМАЗ
Запчасти для ТО
Автомасла
Для спецтехники
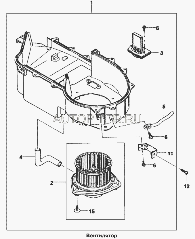
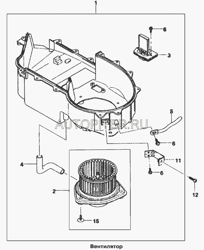
612517
9 предложений
Производители:
Chevrolet
Daewoo
General Motors
Hart
MAY
Opel
Tucker Rocky
Россия
Точка Опоры
Opel
612517
Daewoo
612517
Chevrolet
612517
General Motors
612517
Tucker Rocky
612517
Точка Опоры
612517
Россия
612517
Hart
612517
MAY
612517
Часто ищут
вкладыш мачты toyota 02-7fd40 612513196071
провода зажигания yuchai xmq 6120,6129
big filter, gb 612, фильтр топливный gb-612
насос гур ютонг 6121
wp12. ролик натяжной 612630060847/ 612630060009
фильтр топливный 612600081335 612630080088 pl420
гайка+шпилька задняя higer 6129,6109,6119
насос тннд 612600080799
невский фильтр nf-6123
фильтр топливный gb-612
суппорт кинг лонг 6127
брызговик хайгер 6128
gb 612 bk топливный фильтр
свеча зажигания ngk 6129
шкив промежуточный klq 6129
насос водяной 612600060131
трос кпп 9300 хайгер 6129
кинг лонг 6129y ресивер
балка светодиодная 612w
лампа 12v 5вт пупсик 61205
Рекомендуем
Заказы на сайте принимаются и обрабатываются круглосуточно
Бесплатно доставляем заказы «до двери» оптовым клиентам 5‑6 раз в неделю нашей собственной курьерской службой
Для тех, кто забирает заказы самостоятельно мы стараемся удобно располагать наши пункты самовывоза
Оплатить все товары можно
Или выбрать другой удобный для вас способ