65054202084
1 предложениеПроизводители:
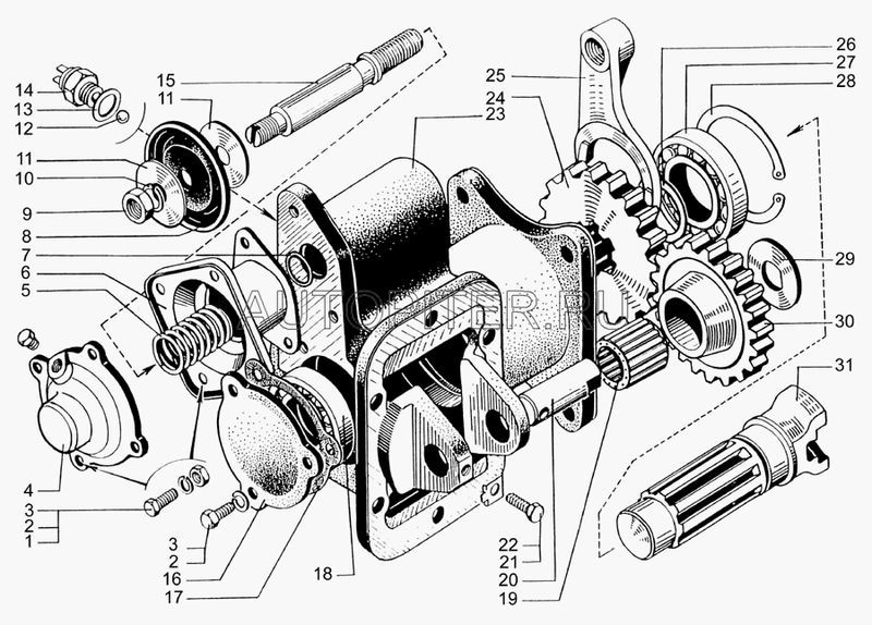
Краз
Часто ищут
- hiflo filtro hfa 6505 воздушный фильтр (hfa 6505)
- hiflo filtro hfa 6505 воздушный фильтр (hfa 6505)
- тяга рулевая краз 6505
- гайка для краз (6505-2502026)
- шарнир рулевой краз 65055
- башмак балансира краз 6505
- картер мод для краз (6505-2502043)
- ступица для краз (65055-3104015)
- сухарь верхний 6505-3414020
- рессора краз 6505-2912012-13 зад (18 л).
- реактивные тяги 6505-5205094
- тяга рулевая краз 6505-3414012
- боковина крыла 6505-8403016/17
- шестерня для краз (65055-2402110)
- крыло левое краз 6505-8403013-10
- шааз 65055-1301010-01 радиатор
- промопора для краз (65053-2220010-30)
- картер моста для краз (6505-2401010)
- шестерня для краз (65055-2402120-10)
- крыло правое краз 6505-8403012-10