To content
Оптовикам
Поставщикам
Помощь по сайту
Новости
zapros@autopiter.ru
Контакты
Все категории
Каталоги запчастей
Москва
Вход
Корзина
Все категории
Каталоги запчастей
Фильтры Hebel Kraft
Оригинальные каталоги по VIN
Неоригинальные запчасти
Запчасти ВАЗ, ГАЗ, КАМАЗ
Запчасти для ТО
Автомасла
Для спецтехники
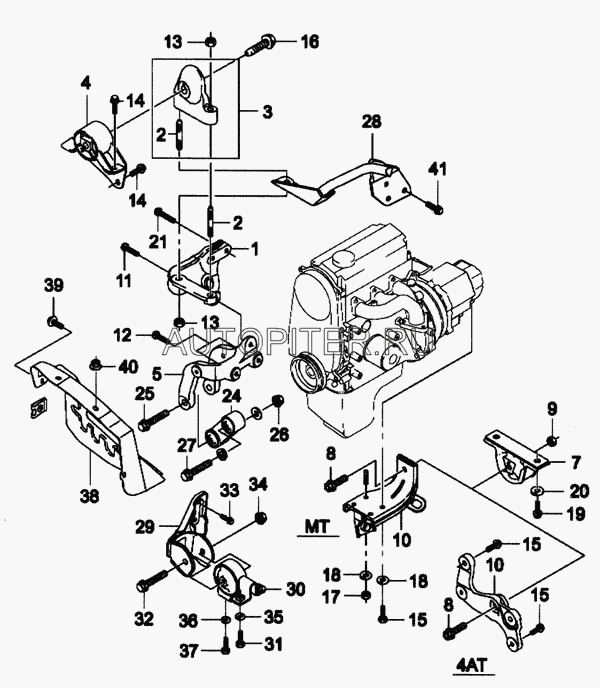
96380727
3 предложения
Производители:
General Motors
Opel
Peugeot-Citroen
Opel
96380727
BRACKET
Peugeot-Citroen
96380727
Ersatzteil
General Motors
96380727
Кронштейн опоры двигателя задний
Часто ищут
963228 коронка ковша
плафон салонный 96303442
ремень клиновой 17914 li 963-01
кольцо уплотнительное 700-40-9633
приемная труба lanos 96345722
зеркало зад.вида прав.963017247r
разъём форсунки delphi 96334808
радиатор охлаждения 96322941
ступица передняя матиз. 96316757
катушка триммерная denzel 96314
96377977 комплект предохранителей 30 а ей
nissan 96312-el12a крышка зеркала
96336490 правая левая стойки матиз
96352648 насос охлаждающей жидкости
96331058 испаритель кондиционера
96394330 блок дроссельной заслонки
96330547 датчик абсолютного давления
патрубок интеркулера, man 81.96301-0900
привод правый chevrolet aveo 96348789
труба приемная sens euro-2 под датчик 96352212-10
Рекомендуем
Заказы на сайте принимаются и обрабатываются круглосуточно
Бесплатно доставляем заказы «до двери» оптовым клиентам 5‑6 раз в неделю нашей собственной курьерской службой
Для тех, кто забирает заказы самостоятельно мы стараемся удобно располагать наши пункты самовывоза
Оплатить все товары можно
Или выбрать другой удобный для вас способ