Fendt-5220 часть1fendt-5220-chast1
Поиск деталей
Например: Engine
10 Engine20 Engine Installation30 Transmission40 Front elevator50 Thresher60 Straw Walkers70 Cleaning

Engine Installation - Up To 551510030

Engine Installation - From Serial Number 551510031

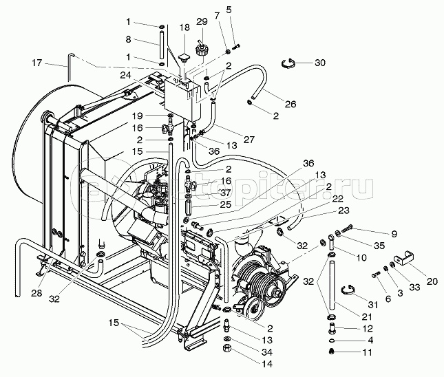
Engine Installation

Engine Installation - Holder

Engine Installation

Engine Installation - Fan

Engine Installation

Engine Air Cleaner

Exhaust Silencer

Fuel Tank - Up To 551510030

Fuel Tank - From Serial Number 551510031

Fuel Tank - Holder

Radiator Filter

Radiator Filter

Radiator Filter

Radiator Filter

Radiator Filter - Up To 551510026

Radiator Filter - From Serial Number 551510031

Radiator Filter

Radiator Filter

Radiator Filter

Radiator Filter

Radiator Filter

Radiator Elements

Filter Transmission Radiator

Power Take-Off

Power Take-Off

Radiator Filter Intake