To content
Оптовикам
Поставщикам
Помощь по сайту
Новости
zapros@autopiter.ru
Контакты
Страна: Россия
Выберите язык
Ru — Русский
En — English
De — Deutsch
Pl — Polski
Все категории
Каталоги запчастей
Москва
Вход
Корзина
Все категории
Каталоги запчастей
Фильтры Hebel Kraft
Оригинальные каталоги по VIN
Неоригинальные запчасти
Запчасти ВАЗ, ГАЗ, КАМАЗ
Запчасти для ТО
Автомасла
Для спецтехники
Запчасти на ВАЗ, ГАЗ, Камаз и т.д.
Атек
Атек-761
Атек-761
atek-761
Поиск деталей
Например:
40.1500.000-06 Кабина
Кузов
Кабина
Стекло ветровое
Контейнер
Двигатель
Двигатель
Система питания
Система охлаждения
Ходовая часть
Ход гусеничный
Платформа поворотная
Механизмы управления
Механизмы управления
Электрооборудование
Электрооборудование
Приборы и датчики
Рабочее оборудование
Рабочее оборудование
Гидросистема
Гидрооборудование
Дополнение
Внешний вид
58.2000.000 Платформа поворотная
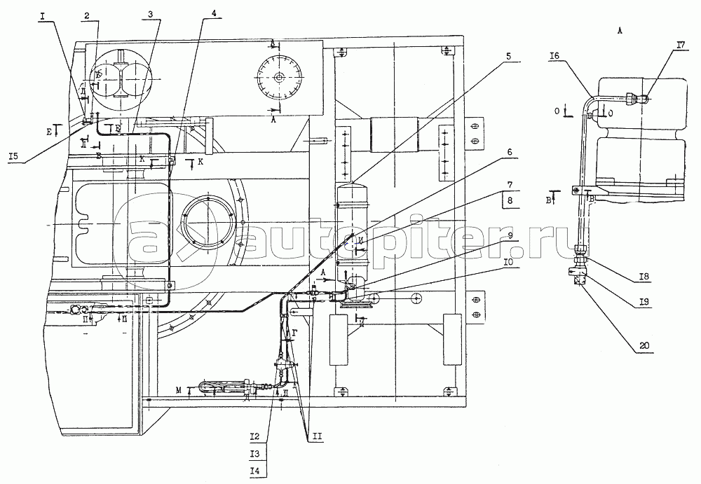
49.0910.000-02 Пневморазводка поворотной платформы
49.0910.000-02 Пневморазводка поворотной платформы
58.9200.000 Гидроразводка поворотной платформы
58.9200.000 Гидроразводка поворотной платформы
58.9200.000 Гидроразводка поворотной платформы
Заказы на сайте принимаются и обрабатываются круглосуточно
Бесплатно доставляем заказы «до двери» оптовым клиентам 5‑6 раз в неделю нашей собственной курьерской службой
Для тех, кто забирает заказы самостоятельно мы стараемся удобно располагать наши пункты самовывоза
Оплатить все товары можно
Или выбрать другой удобный для вас способ