To content
Оптовикам
Поставщикам
Помощь по сайту
Новости
zapros@autopiter.ru
Контакты
Страна: Россия
Выберите язык
Ru — Русский
En — English
De — Deutsch
Pl — Polski
Все категории
Каталоги запчастей
Москва
Вход
Корзина
Все категории
Каталоги запчастей
Фильтры Hebel Kraft
Оригинальные каталоги по VIN
Неоригинальные запчасти
Запчасти ВАЗ, ГАЗ, КАМАЗ
Запчасти для ТО
Автомасла
Для спецтехники
Запчасти на ВАЗ, ГАЗ, Камаз и т.д.
Атек
Э-5015А
Э-5015А
e-5015a
Поиск деталей
Например:
Кабина
Кузов
Кабина
Вентиляция и отопление
Сиденья
Двигатель
Двигатель
Система питания
Система охлаждения
Система выпуска отработанных газов
Ходовая часть
Тележка ходовая
Передачи бортовые
Гусеницы
Механизмы управления
Управление оборудованием
Тормоза
Электрооборудование
Электрооборудование
Дополнительное оборудование
Рабочее оборудование
Гидросистема
Принадлежности
Инструменты и принадлежности
Приложение
Экскаватор одноковшовый
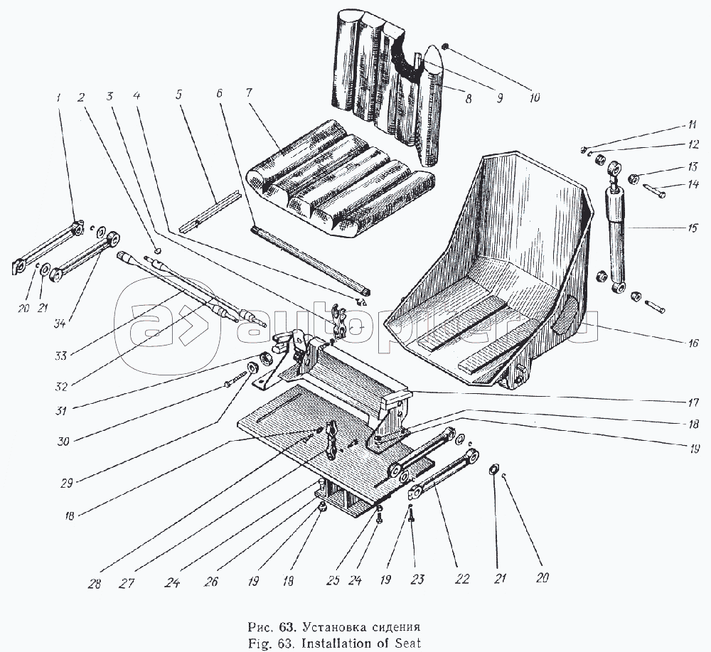
Установка сидения
Заказы на сайте принимаются и обрабатываются круглосуточно
Бесплатно доставляем заказы «до двери» оптовым клиентам 5‑6 раз в неделю нашей собственной курьерской службой
Для тех, кто забирает заказы самостоятельно мы стараемся удобно располагать наши пункты самовывоза
Оплатить все товары можно
Или выбрать другой удобный для вас способ