To content
Оптовикам
Поставщикам
Помощь по сайту
Новости
zapros@autopiter.ru
Контакты
Страна: Россия
Выберите язык
Ru — Русский
En — English
De — Deutsch
Pl — Polski
Все категории
Каталоги запчастей
Москва
Вход
Корзина
Все категории
Каталоги запчастей
Фильтры Hebel Kraft
Оригинальные каталоги по VIN
Неоригинальные запчасти
Запчасти ВАЗ, ГАЗ, КАМАЗ
Запчасти для ТО
Автомасла
Для спецтехники
Запчасти на ВАЗ, ГАЗ, Камаз и т.д.
БелАЗ
БелАЗ-75131
БелАЗ-75131
belaz-75131-1848
Поиск деталей
Например:
Установка кабины на шасси
Кузов
Кабина и оперение
Платформа
Опрокидывающий механизм
Двигатель
Дизель-генератор
Система питания двигателя
Система выпуска отработавших газов
Система охлаждения двигателя
Тяговый электропривод
Трансмиссия
Ведущий мост
Ходовая часть
Рама
Подвеска
Колеса и шины
Механизмы управления
Рулевое управление
Тормозная система
Электрооборудование
Электрооборудование
Принадлежности
Инструмент и принадлежности
Система пожаротушения
Подшипники
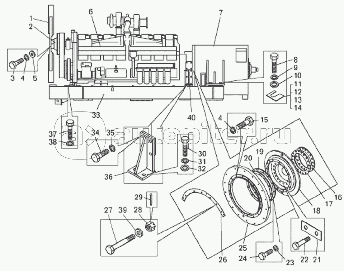
Установка дизель – генератора
Дизель – генератор
Установка системы пневмостартерного пуска двигателя
Баллон воздушный с кронштейном
Кран запорный
Клапан защитный одинарный
Установка предпускового подогревателя
Заказы на сайте принимаются и обрабатываются круглосуточно
Бесплатно доставляем заказы «до двери» оптовым клиентам 5‑6 раз в неделю нашей собственной курьерской службой
Для тех, кто забирает заказы самостоятельно мы стараемся удобно располагать наши пункты самовывоза
Оплатить все товары можно
Или выбрать другой удобный для вас способ