БелАЗ-75306belaz-75306
Поиск деталей
Например: Установка дизель-генератора
Дизель-генераторСистема питания двигателяСистема выпуска отработавших газовСистема охлаждения двигателяЭлектропривод тяговыйМост заднийРамаПодвескаОсь передняяКолесаРулевое управлениеТормозные системыПневмосистемаЭлектрооборудованиеСистема контроля давления в шинахСистема пожаротушенияКабинаОперениеПлатформаОпрокидывающий механизм

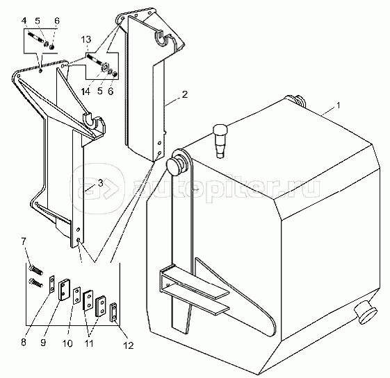
Установка топливного бака

Бак топливный

Кран топливный с фильтром

Установка топливопроводов

Насос топливный

Фильтр грубой очистки

Установка воздушных фильтров

Фильтр воздушный

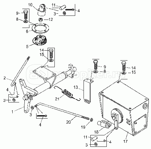
Установка педали привода подачи топлива

Установка ходового командоконтроллера

Командоконтроллер ходовой

Вал акселератора

Установка системы охлаждения топлива

Распределитель топлива