BYD F3byd-f3
Поиск деталей
Например: Кузов
Двигатель

Заглушки, штифты, блок цилиндров

Подшипники

Шатунно-поршневая группа

Масляный насос и масляный фильтр грубой очистки

Водяной насос и задний сальник

Масляный поддон в сборе

Система синхронизации

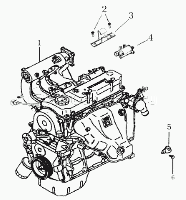
Правый опорный кронштейн

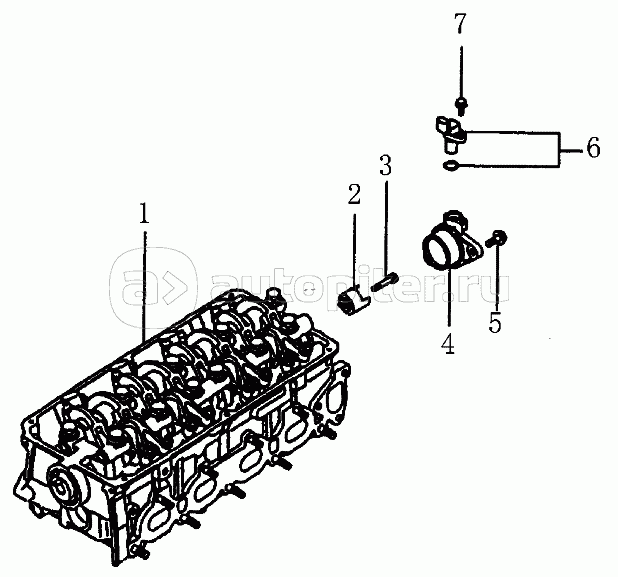
Головка блока цилиндров

Приводной ремень механизма синхронизации

Крышка клапанного механизма

Кожух приводного ремня механизма синхронизации в сборе

Приводной шкив коленчатого вала в сборе и масляный фильтр

Впускной водяной шланг в сборе

Термостат

Впускной газовый коллектор

Выпускной газовый коллектор

Управляющий клапан угольного фильтра

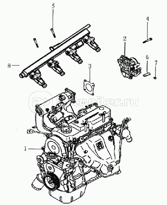
Топливная шина с инжекторами в сборе

Корпус дроссельной заслонки в сборе

Клапан принудительной продувки картера

Крышка

Водяные трубки

Генератор переменного тока

Генератор переменного тока

Вакуумные шланги

Маховик в сборе

Уплотнение штоков клапанов

Клапаны и клапанные пружины

Направляющие втулки свечей

Распределительный вал

Вал коромысла

Шпильки с резьбой на двух концах

Кронштейн датчика положения распределительного вала

Кожух и диски муфты сцепления

Двигатель и коробка переключения передач

Стартер

Воздушный фильтр

Выпускная система

Подвеска двигателя

Топливная система

Система охлаждения

Крышка двигателя