To content
Оптовикам
Поставщикам
Помощь по сайту
Новости
zapros@autopiter.ru
Контакты
Страна: Россия
Выберите язык
Ru — Русский
En — English
De — Deutsch
Pl — Polski
Все категории
Каталоги запчастей
Москва
Вход
Корзина
Все категории
Каталоги запчастей
Фильтры Hebel Kraft
Оригинальные каталоги по VIN
Неоригинальные запчасти
Запчасти ВАЗ, ГАЗ, КАМАЗ
Запчасти для ТО
Автомасла
Для спецтехники
Запчасти на ВАЗ, ГАЗ, Камаз и т.д.
ЧТЗ
Т-130
Т-130
t-130
Поиск деталей
Например:
Площадка 18-24-14СП, 48-24-3СП
Кузов
Кузов
Кабина
Двери
Сиденье
Вентиляция и отопление
Двигатель
Двигатель
Система запуска двигателя
Система питания
Система охлаждения
Система смазки
Трансмиссия
Трансмиссия
Сцепление
Коробка передач
Редукторы
Ходовая часть
Подвеска
Гусеницы и катки опорные
Механизмы управления
Управление трактором
Механизмы управления двигателем
Тормоза
Электрооборудование
Электрооборудование
Приборы и датчики
Дополнительное оборудование
Устройство прицепное
Оборудование навесное
Гидросистема
Принадлежности
Инструмент и принадлежности
Приложение
Подшипники
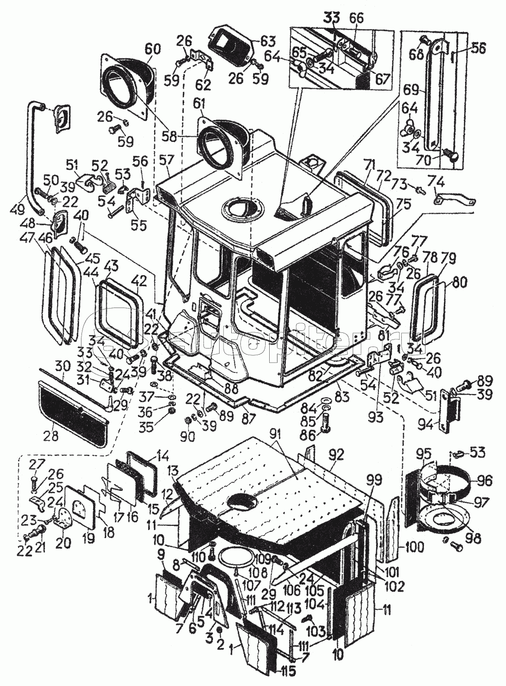
Кабина 24-59-5СП
Установка стенки 24-55-7СП для тракторов без кабины
Тент 24-63-СБ1
Заказы на сайте принимаются и обрабатываются круглосуточно
Бесплатно доставляем заказы «до двери» оптовым клиентам 5‑6 раз в неделю нашей собственной курьерской службой
Для тех, кто забирает заказы самостоятельно мы стараемся удобно располагать наши пункты самовывоза
Оплатить все товары можно
Или выбрать другой удобный для вас способ