To content
Оптовикам
Поставщикам
Помощь по сайту
Новости
zapros@autopiter.ru
Контакты
Все категории
Каталоги запчастей
Москва
Вход
Корзина
Все категории
Каталоги запчастей
Фильтры Hebel Kraft
Оригинальные каталоги по VIN
Неоригинальные запчасти
Запчасти ВАЗ, ГАЗ, КАМАЗ
Запчасти для ТО
Автомасла
Для спецтехники
Запчасти на ВАЗ, ГАЗ, Камаз и т.д.
Daewoo
Tico
Tico
tico
Поиск деталей
Например:
Пол
Кузов
Кузов
Пол кузова
Окно ветровое и заднее
Передок кузова
Задок кузова
Дверь передняя
Дверь задняя
Дверь задка
Сиденья
Вентиляция и отопление
Принадлежности
Капот, крылья, облицовка радиатора
Двигатель
Двигатель
Система питания
Система выпуска отработанных газов
Система охлаждения
Трансмиссия
Сцепление
Коробка передач
Передача карданная
Мост передний
Ходовая часть
Рама, бамперы и брызговики двигателя
Подвеска
Колеса
Механизмы управления
Управление рулевое
Тормоза
Электрооборудование
Электрооборудование
Приборы и датчики
Радиооборудование
Принадлежности
Инструмент и принадлежности
Приложение
Автомобиль в сборе
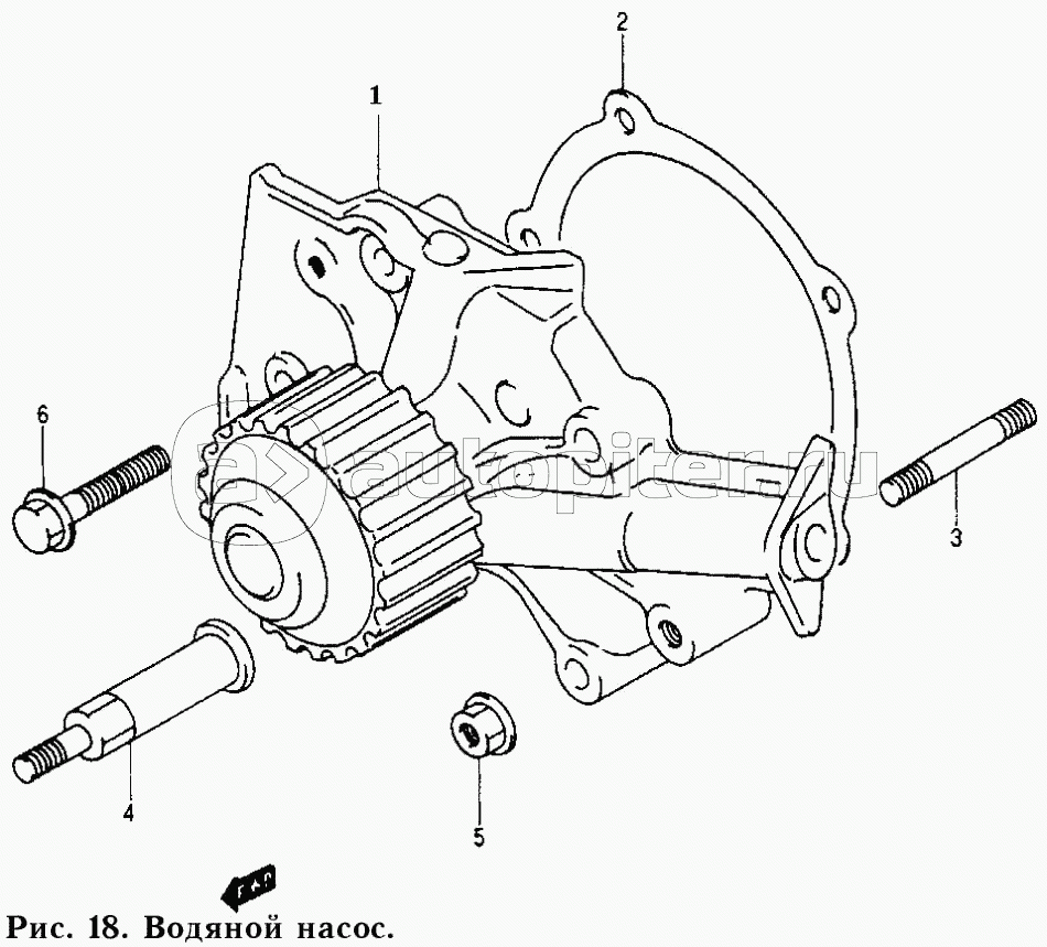
Водяной насос
Радиатор
Водопроводная система
Заказы на сайте принимаются и обрабатываются круглосуточно
Бесплатно доставляем заказы «до двери» оптовым клиентам 5‑6 раз в неделю нашей собственной курьерской службой
Для тех, кто забирает заказы самостоятельно мы стараемся удобно располагать наши пункты самовывоза
Оплатить все товары можно
Или выбрать другой удобный для вас способ