To content
Оптовикам
Поставщикам
Помощь по сайту
Новости
zapros@autopiter.ru
Контакты
Страна: Россия
Выберите язык
Ru — Русский
En — English
De — Deutsch
Pl — Polski
Все категории
Каталоги запчастей
Москва
Вход
Корзина
Все категории
Каталоги запчастей
Фильтры Hebel Kraft
Оригинальные каталоги по VIN
Неоригинальные запчасти
Запчасти ВАЗ, ГАЗ, КАМАЗ
Запчасти для ТО
Автомасла
Для спецтехники
Запчасти на ВАЗ, ГАЗ, Камаз и т.д.
ДЭЗ
ФД-500
ФД-500
fd-500
Поиск деталей
Например:
Рама
Трактор МТЗ
Схемы
Рама
Ходоуменьшитель
Бульдозер
Доработка трактора
Фреза дорожная
Общий вид ФД
Корпус фрезы
Система водоснабжения
Трансмиссия
Гидросистема
Установка катков опорных
Установка фиксатора
Трансмиссия
Вал карданный
Редуктор угловой
Редуктор угловой
Редуктор угловой
Редуктор бортовой
Редуктор бортовой
Редуктор бортовой
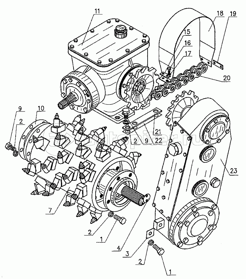
Установка рабочего органа
Заказы на сайте принимаются и обрабатываются круглосуточно
Бесплатно доставляем заказы «до двери» оптовым клиентам 5‑6 раз в неделю нашей собственной курьерской службой
Для тех, кто забирает заказы самостоятельно мы стараемся удобно располагать наши пункты самовывоза
Оплатить все товары можно
Или выбрать другой удобный для вас способ