E180Re180r
Поиск деталей
ВидПлатформаУстановка силоваяМеханизм поворотаГидрооборудованиеКабинаЭлектрооборудованиеКапотРабочее оборудованиеТележка

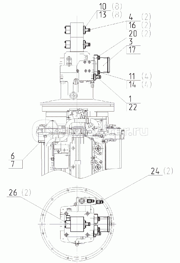
Сборка гидрораспределителя 180-22-41.20.000

Гидрооборудование силовой установки 180-22-41.10.000

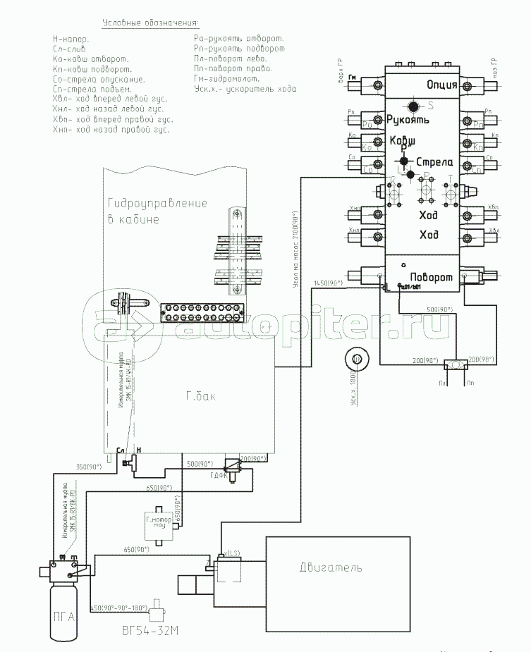
Гидроуправление в кабине экскаватора 180-22-42.21.000

Гидроуправление в кабине экскаватора (монтажная схема)

Установка рычагов 180-00-42.21.020

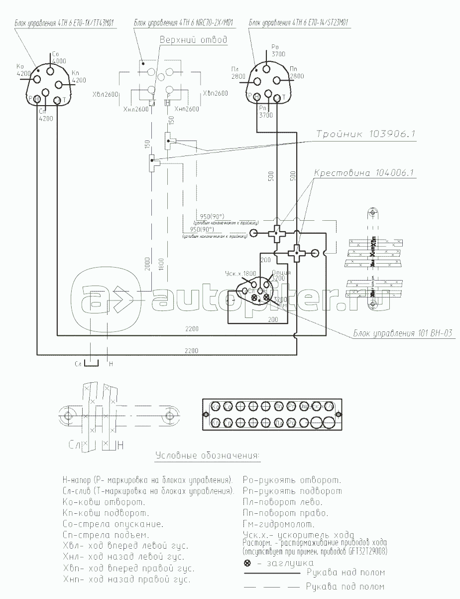
Гидроуправление на поворотной платформе 180-00-42.20.000

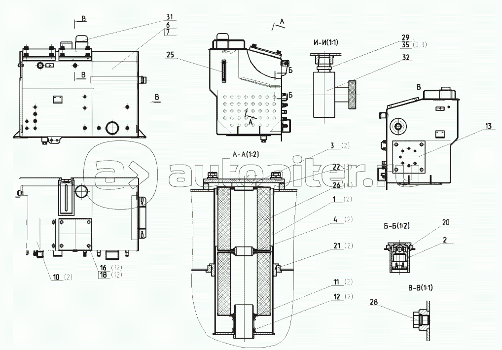
Бак гидравлический 160-22-40.10.000