ГАЗ-24-10gaz-24-10
Поиск деталей
Например: Пол, кожух пола, коврики пола и багажник

Генератор

Генератор

Батарея аккумуляторная

Катушка зажигания, датчик-распределитель, свечи провода зажигания

Стартер

Фары, указатели поворота и фары противотуманные

Плафоны внутреннего освещения, лампы переносная и подкапотная

Фонари задние, фонарь освещения номерного знака

Электрооборудование

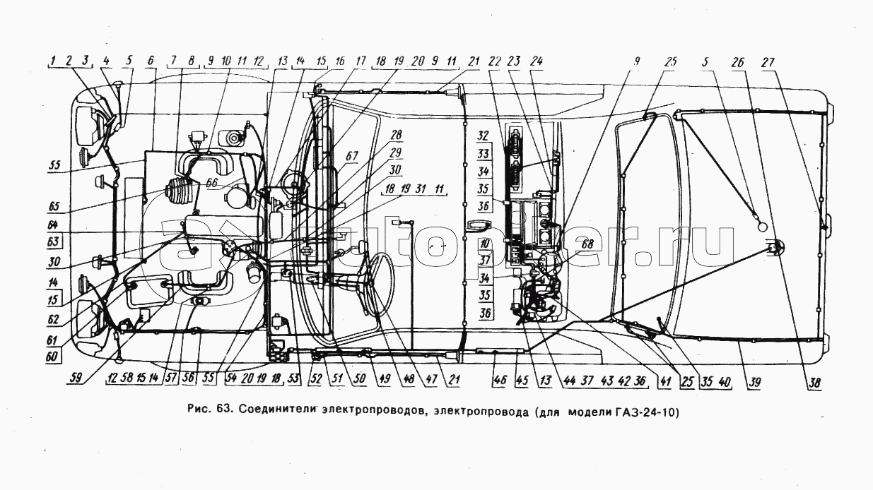
Соединители электропроводов, электропривода (для модели ГАЗ 24-10)

Соединители электропроводов, электропривода (для модели ГАЗ 24-11)

Указатели поворота, повторители и опознавательные фонари такси

Датчик-распределитель