ГАЗ-31029gaz-31029
Поиск деталей

Коробка передач четырехступенчатая

Картер и удлинитель с вторичным валом четырехступенчатой коробки передач

Механизм переключения передач четырехступенчатой коробки передач

Коробка передач пятиступенчатая

Картер и удлинитель с вторичным валом пятиступенчатой коробки передач

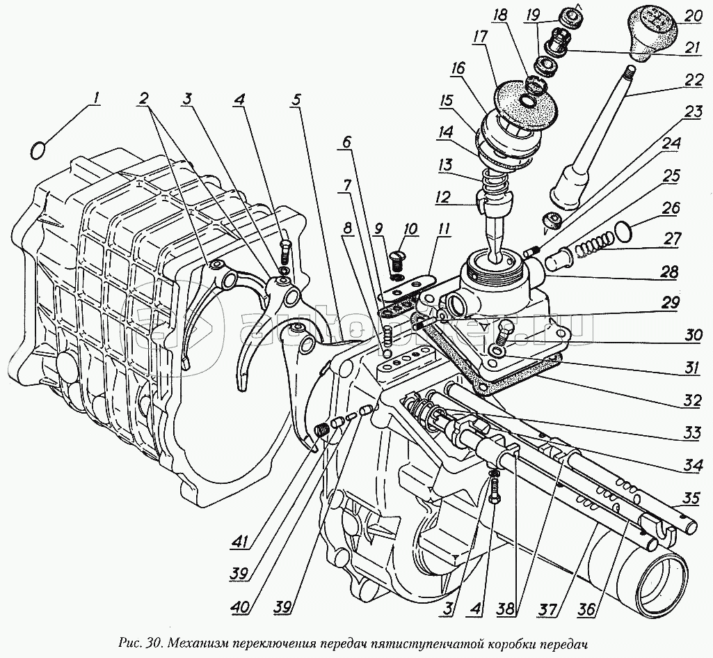
Механизм переключения передач пятиступенчатой коробки передач