To content
Оптовикам
Поставщикам
Помощь по сайту
Новости
zapros@autopiter.ru
Контакты
Все категории
Каталоги запчастей
Москва
Вход
Корзина
Все категории
Каталоги запчастей
Фильтры Hebel Kraft
Оригинальные каталоги по VIN
Неоригинальные запчасти
Запчасти ВАЗ, ГАЗ, КАМАЗ
Запчасти для ТО
Автомасла
Для спецтехники
Запчасти на ВАЗ, ГАЗ, Камаз и т.д.
ХЗТСШ
Т-16М
Т-16М
t-16m
Поиск деталей
Например:
Каркас с тентом, мягкими боковинами и задней стенкой
Кузов
Кабина
Сиденья
Капот, крылья, облицовка радиатора
Платформа
Двигатель
Двигатель
Система питания
Система выпуска отработанных газов
Система охлаждения
Система смазки
Трансмиссия
Сцепление
Коробка передач
Передача карданная
Мост передний
Ходовая часть
Рама
Колеса
Механизмы управления
Рулевое управление
Тормоза
Электрооборудование
Электрооборудование
Приборы и датчики
Дополнительное оборудование
Гидросистема
Следозаделывающее устройство
Принадлежности
Инструмент и принадлежности
Приложения
Внешний вид
Подшипники
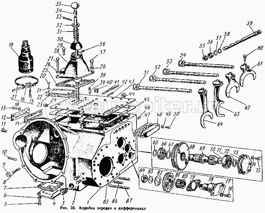
Коробка передач и дифференциал
Коробка передач и дифференциал
Коробка передач и дифференциал
Коробка передач и дифференциал
Коробка передач и дифференциал
Конечные передачи
Заказы на сайте принимаются и обрабатываются круглосуточно
Бесплатно доставляем заказы «до двери» оптовым клиентам 5‑6 раз в неделю нашей собственной курьерской службой
Для тех, кто забирает заказы самостоятельно мы стараемся удобно располагать наши пункты самовывоза
Оплатить все товары можно
Или выбрать другой удобный для вас способ