ИЖ 434izh-434
Поиск деталей

Силовой агрегат автомобиля "Москвич" модели 412: а - вид слева, b - вид справа

Детали крепления силового агрегата

Блок и гильзы цилиндров двигателя

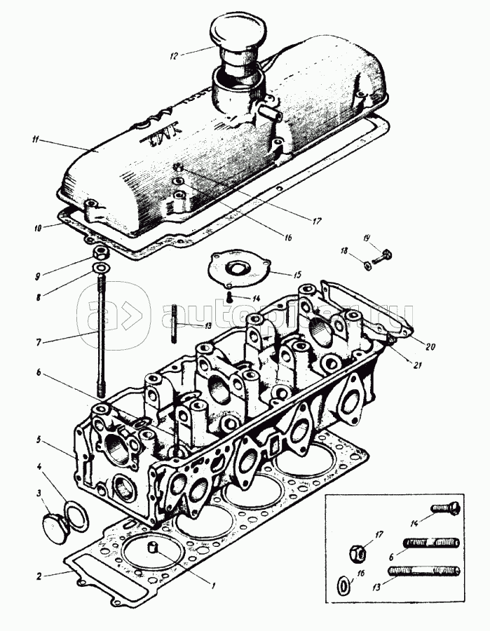
Головка блока цилиндров двигателя

Поршень и шатун

Коленчатый вал, вкладыши коренных подшипников и маховик

Газораспределительный механизм (Часть 1)

Газораспределительный механизм (Часть 2)

Впускной и выпускной трубопроводы

Масляный картер и указатель уровня масла

Масляный насос и его маслоприемник

Фильтр масляный полнопоточный