64606460
Поиск деталей
Например: Кабина с дверями окрашенная

Агрегат силовой, укомплектованный для установки на автомобиль

Агрегат силовой

Двигатель с оборудованием

Установка картера агрегатов

Установка картера маховика

Картер маховика

Блок цилиндров в сборе

Блок цилиндров в сборе

Установка газораспределительного механизма

Головка цилиндра

Головка цилиндра с втулками

Коромысло клапана в сборе

Вал распределительный

Поршень с шатуном и кольцами

Установка форсунки охлаждения поршня

Клапан форсунки охлаждения поршня в сборе

Установка коленчатого вала и маховика

Вал коленчатый

Установка шкива коленчатого вала

Маховик

Установка фиксатора маховика

Установка системы вентиляции

Трубка сапуна с втулкой

Угольник сапуна

Установка электромагнитного клапана

Клапан с кронштейном и трубкой

Установка привода отбора мощности переднего

Привод агрегатов

Корпус подшипника

Вал отбора мощности

Установка силового агрегата (опора передняя)

Установка силового агрегата (опора задняя)

Установка силового агрегата (опора поддерживающая)

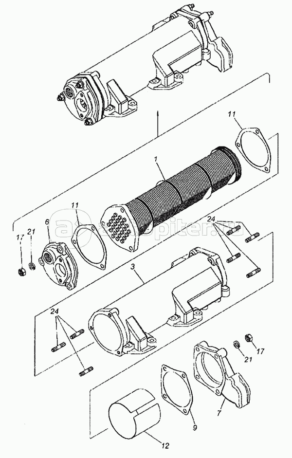
Установка газопровода

Установка картера масляного

Установка масляного насоса

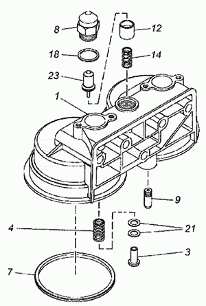
Масляный насос с маслозаборником в сборе

Масляный насос с шестерней

Масляный насос

Крышка масляного насоса с клапаном

Крышка масляного насоса в сборе

Корпус масляного насоса в сборе

Шестерня ведомая масляного насоса

Маслозаборник

Установка фильтра и теплообменника

Фильтр масляный с теплообменником

Теплообменник масляный

Сердцевина в сборе

Фильтр очистки масла

Корпус масляного фильтра в сборе

Колпак масляного фильтра