ППК-82 "Argus"ppk-82-argus
Поиск деталей
Например: Общий вид ППК-82/-06/-07
ППК-82 «Argus»

Общий вид ППК-82/-06/-07

Общий вид ППК-82-01/-02

Общий вид ППК-82-03

Общий вид ППК-82-04

Общий вид ППК-82-05

Жатка

Привод жатки (вид слева)

Вал ППК-82.01.00.060

Привод жатки (вид справа)

Вал ППК-82.01.00.060-01

Каркас и кожух (левая сторона)

Каркас и кожух (правая сторона)

Привод шнека

Предохранительная фрикционная муфта привода шнека

Шнек

Левый делитель

Правый делитель

Делитель

Траверса

Опора

Русло ППК-81.01.06.000А/-01/-02/-03

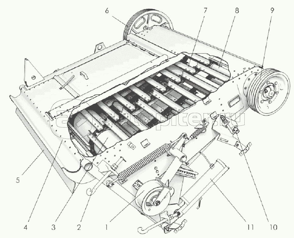
Измельчающий аппарат

Натяжные устройства

Рама, отрывочные пластины и редуктор

Чистики и опоры

Валец ППК-81.01.06.040

Валец ППК-81.01.06.040-01

Цепные муфты и поводок

Установка гидрооборудования и тяги ППК-81.01.00.700

Проставка ППК-8.02.00.000

Вал проставки

Битер

Проставка ППК-81.50.00.000

Проставка ППК-81.51.00.000

Проставка ППК-81.52.00.000

Проставка ППК-81.53.00.000

Битер ППК-81.40.00.000

Битер ППК-81.40.00.000-01

Наклонная камера

Шкив натяжной

Цепной транспортер и направляющие

Вал верхний

Шкив ПКП-8.20.00.101Б

Вал нижний

Упор ПКП-8.20.00.100

Комплект для уборки подсолнечника ППК-81.33.00.000

Комплект защитных щитов

Режущий аппарат