To content
Оптовикам
Поставщикам
Помощь по сайту
Новости
zapros@autopiter.ru
Контакты
Все категории
Каталоги запчастей
Москва
Вход
Корзина
Все категории
Каталоги запчастей
Фильтры Hebel Kraft
Оригинальные каталоги по VIN
Неоригинальные запчасти
Запчасти ВАЗ, ГАЗ, КАМАЗ
Запчасти для ТО
Автомасла
Для спецтехники
Запчасти на ВАЗ, ГАЗ, Камаз и т.д.
Ковровец
ЭО-4124
ЭО-4124
eo-4124
Поиск деталей
Например:
Кабина
Кузов
Кабина
Вентиляция и отопление
Принадлежности
Капоты
Экскаватор без рабочего оборудования
Опора поворотная
Установка контргруза
Двигатель
Установка силовая
Система питания
Система выпуска отработанных газов
Система охлаждения
Ходовая часть
Платформа
Тележка
Механизмы управления
Управление экскаватором
Гидросистема экскаватора
Электрооборудование
Электрооборудование
Приборы и датчики
Рабочее оборудование
Гидрооборудование
Грейфер
Прямая и обратная лопата
Рыхлитель
Гидромолот
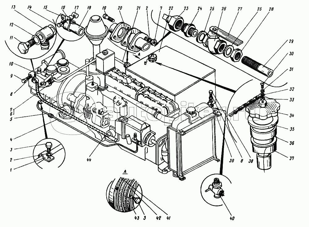
Система питания дизеля
Насос ручной поршневой РО, 8-30-01
Управление муфтой дизеля
Заказы на сайте принимаются и обрабатываются круглосуточно
Бесплатно доставляем заказы «до двери» оптовым клиентам 5‑6 раз в неделю нашей собственной курьерской службой
Для тех, кто забирает заказы самостоятельно мы стараемся удобно располагать наши пункты самовывоза
Оплатить все товары можно
Или выбрать другой удобный для вас способ