УПС-12ups-12
Поиск деталей
Например: Сеялка УПС-12. Общий вид
Сеялка УПС-12

Сеялка УПС-12. Общий вид

Аппарат высевающий 509.046.1390

Аппарат высевающий 509.046.1390

Корпус 509.046.3010 (высевающего аппарата)

Бункер 509.046.1170-01

Секция 509.046.1500

Секция 509.046.1500-01

Поводковая группа секции 509.046.1500

Каток передний 509.046.1380

Каток прикатывающий 509.046.1380

Сошник 509.046.2820

Сошник 509.046.2840

Сошник туковый 509.046.209

Аппарат туковысевающий 509.046.2240

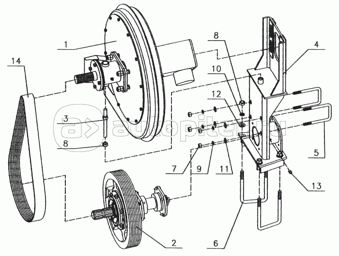
Вентилятор 509.046.2200Б

Вентилятор 509.046.2200Б (верхний вал)

Вентилятор 509.046.2200Б (верхний вал)

Маркер (центральная часть)

Маркер (левый)

Маркер (правый)

Диск СШЕ 04.120

Соединение туковысевающих аппаратов