To content
Оптовикам
Поставщикам
Помощь по сайту
Новости
zapros@autopiter.ru
Контакты
Все категории
Каталоги запчастей
Москва
Вход
Корзина
Все категории
Каталоги запчастей
Фильтры Hebel Kraft
Оригинальные каталоги по VIN
Неоригинальные запчасти
Запчасти ВАЗ, ГАЗ, КАМАЗ
Запчасти для ТО
Автомасла
Для спецтехники
Запчасти на ВАЗ, ГАЗ, Камаз и т.д.
КрАЗ
КрАЗ-260
КрАЗ-260
kraz-260
Поиск деталей
Например:
Кабина в сборе и крепление кабины
Кузов
Кузов
Окно ветровое и заднее
Передок кузова
Дверь передняя
Сиденья
Вентиляция и отопление
Принадлежности
Капот, крылья, облицовка радиатора
Платформа
Двигатель
Двигатель
Система питания
Система выпуска отработанных газов
Система охлаждения
Трансмиссия
Сцепление
Коробка передач
Коробка раздаточная
Передача карданная
Мост передний
Мост задний
Мост средний
Ходовая часть
Рама, бамперы и брызговики двигателя
Подвеска
Колеса
Механизмы управления
Управление рулевое
Тормоза
Электрооборудование
Электрооборудование
Дополнительное оборудование
Устройство седельное
Лебедка
Принадлежности
Инструмент и принадлежности
Приложение
Общий вид автомобилей
Управление рулевое в сборе
Рулевой механизм с распределителем
Распределитель
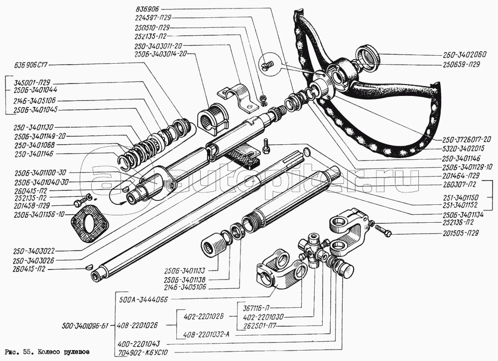
Колесо рулевое
Гидроусилитель рулевого управления (цилиндр силовой)
Насос масляный
Бачок масляный
Тяги рулевые
Заказы на сайте принимаются и обрабатываются круглосуточно
Бесплатно доставляем заказы «до двери» оптовым клиентам 5‑6 раз в неделю нашей собственной курьерской службой
Для тех, кто забирает заказы самостоятельно мы стараемся удобно располагать наши пункты самовывоза
Оплатить все товары можно
Или выбрать другой удобный для вас способ