КрАЗ-6510kraz-6510
Поиск деталей
Например: Кабина в сборе и крепление кабины

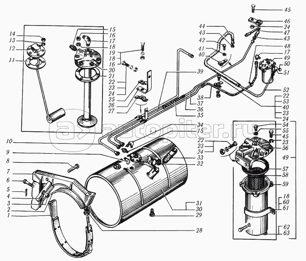
Топливный бак, топливопроводы и фильтр грубой очистки топлива автомобиля КрАЗ-6510

Топливный бак, топливопроводы и фильтр грубой очистки топлива автомобиля КрАЗ-651001

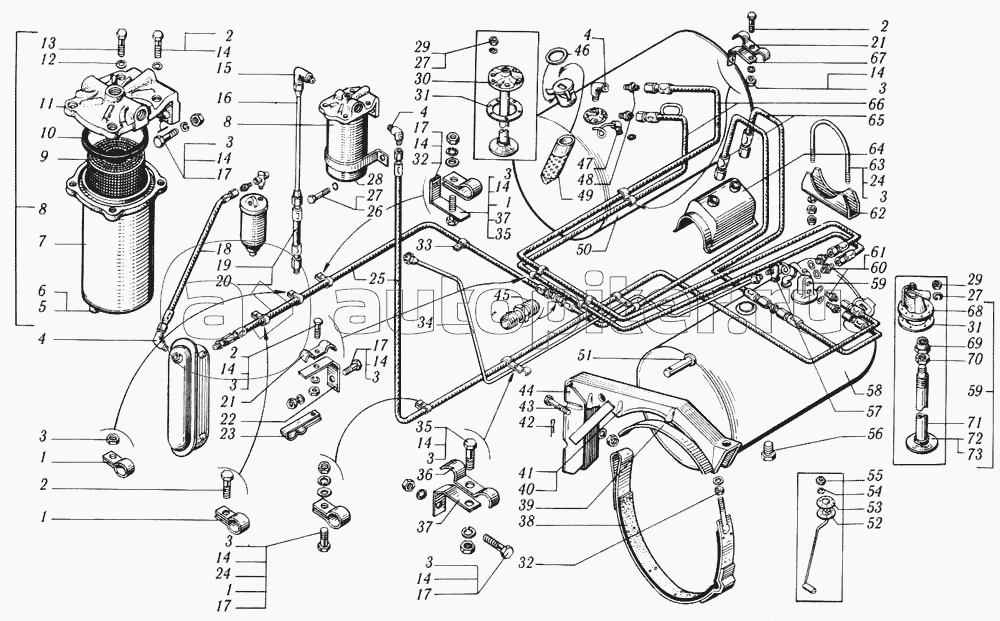
Топливные баки, топливопроводы, фильтр грубой очистки топлива автомобилей КрАЗ-6444 и КрАЗ-65101

Фильтр воздушный

Привод управления подачей топлива и остановом двигателя противоугонным устройством