ЛАЗ 5252laz-5252
Поиск деталей
Например: Установка оперения

Сцепление (модели 52528, 52528А)

Сцепление (модели 52527, 52527-01)

Механизм и привод управления сцеплением (модель 52527)

Усилитель привода управления сцеплением (модели 52528, 52528А)

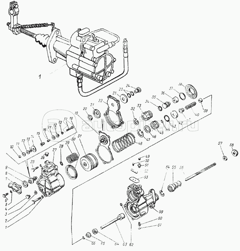
Усилитель привода управления сцеплением (модели 52527, 52527-01)

Установка усилителя привода управления сцеплением (модели 52527, 52528, 52528А)