Т-40Мt-40m
Поиск деталей
Например: Кабина Т25-6700010-Е

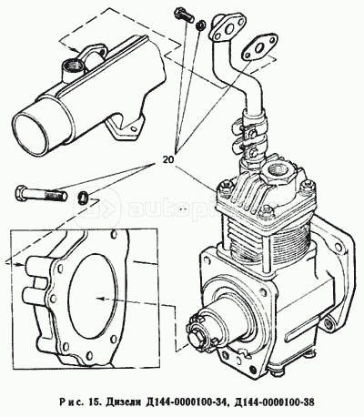
Компрессор

Компрессор А29.02.000

Установка компрессора Д37Е-3509015

Рукава с тормозами Т25-3502010-В1, Т25-3502010-Б1-03, Т25-3502020-В1, Т25-3502020-В-03

Пневматическая система Т40М-3500110-Б

Блок пневматической системы Т40М-3500020-Б

Установка воздушного баллона Т40М-3500030-А

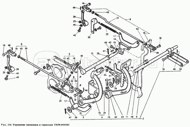
Управление сцеплением и тормозами Т40М-0000560

Управление сцеплением и тормозами Т40М-0000560