To content
Оптовикам
Поставщикам
Помощь по сайту
Новости
zapros@autopiter.ru
Контакты
Страна: Россия
Выберите язык
Ru — Русский
En — English
De — Deutsch
Pl — Polski
Все категории
Каталоги запчастей
Москва
Вход
Корзина
Все категории
Каталоги запчастей
Фильтры Hebel Kraft
Оригинальные каталоги по VIN
Неоригинальные запчасти
Запчасти ВАЗ, ГАЗ, КАМАЗ
Запчасти для ТО
Автомасла
Для спецтехники
Запчасти на ВАЗ, ГАЗ, Камаз и т.д.
МАЗ
КПП МАЗ-543205-070
КПП МАЗ-543205-070
kpp-maz-543205-070
Поиск деталей
Например:
Коробка передач
Двигатель
Двигатель
Трансмиссия
Сцепление
Коробка передач
Коробка передач
Коробка передач
Пневматическая схема
Картерные детали коробки передач
Валы и шестерни основной КП
Механизм переключения передач
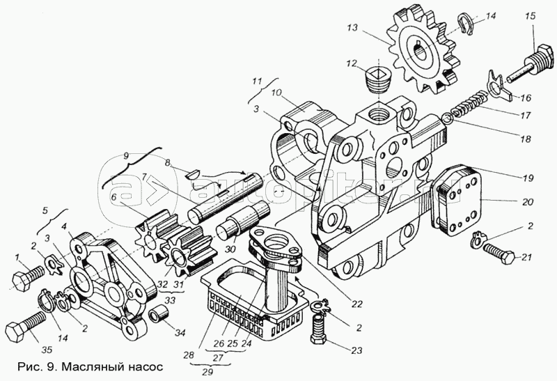
Масляный насос
Клапан блокировки
Картер понижающей передачи
Вал выходной
Воздухораспределитель
Клапан редукционный
КПП МАЗ 543205-070
Заказы на сайте принимаются и обрабатываются круглосуточно
Бесплатно доставляем заказы «до двери» оптовым клиентам 5‑6 раз в неделю нашей собственной курьерской службой
Для тех, кто забирает заказы самостоятельно мы стараемся удобно располагать наши пункты самовывоза
Оплатить все товары можно
Или выбрать другой удобный для вас способ