To content
Оптовикам
Поставщикам
Помощь по сайту
Новости
zapros@autopiter.ru
Контакты
Все категории
Каталоги запчастей
Москва
Вход
Корзина
Все категории
Каталоги запчастей
Фильтры Hebel Kraft
Оригинальные каталоги по VIN
Неоригинальные запчасти
Запчасти ВАЗ, ГАЗ, КАМАЗ
Запчасти для ТО
Автомасла
Для спецтехники
Запчасти на ВАЗ, ГАЗ, Камаз и т.д.
Минитракторы
Уралец
Уралец
uralec
Поиск деталей
Например:
Механизм управления двигателем (120/160)
Двигатель
Сцепление
Ось передняя
Колеса
Коробка передач
Рулевой механизм
Полуось задняя
Тормоза
Сиденье, крылья, капот
Топливный бак
Гидробак
Масляный насос
Навесной механизм
Гидрораспределитель
Механизм привода масляного насоса
Электрооборудование
Принадлежности
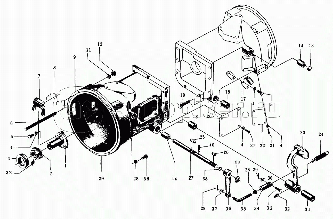
Корпус муфты сцепления
Муфта сцепления
Заказы на сайте принимаются и обрабатываются круглосуточно
Бесплатно доставляем заказы «до двери» оптовым клиентам 5‑6 раз в неделю нашей собственной курьерской службой
Для тех, кто забирает заказы самостоятельно мы стараемся удобно располагать наши пункты самовывоза
Оплатить все товары можно
Или выбрать другой удобный для вас способ