952.5952-5
Поиск деталей
Например: Установка двигателя

Механический понижающий редуктор/ механический ускоритель

Синхронизированный понижающий редуктор/ синхронизированный ускоритель

Управление механическими/синхронизированными понижающим редуктором или ускорителем

Синхронизированный реверс-редуктор 72-1700010-Б1-03/-04, 74-1700010-07/-15, 1021-1700010-07/-15

Управление синхронизированным реверс-редуктором 72-1700010-Б1-03/-04, 74/1021-1700010-07/-15

Варианты комплектации по КП трактора БЕЛАРУС-952.5

Корпус КП. Привод ПВМ

Вал первичный и Вал вторичный механической КП

Вал первичный и Вал вторичный синхронизированной КП 74/1021-1700010-01/-09, 74/1021-1700010-05/-13, 74/1021-1700010-07/-15

Вал I-ой передачи и заднего хода 72-1700010-Б1/-01/-07/, 74/1021-1700010-01/-05, 72-1700010-Б1-07, 74/1021-1700010-09/-13, 72-1700010-Б1-03/-04, 74/1021-1700010-07, 74-1700010-15

Вал промежуточный. Вал внутренний 72-1700010-Б/-01/-03/-04/-07/-08, 74/1021-1700010-01/-05/-07/-09/-13/-15

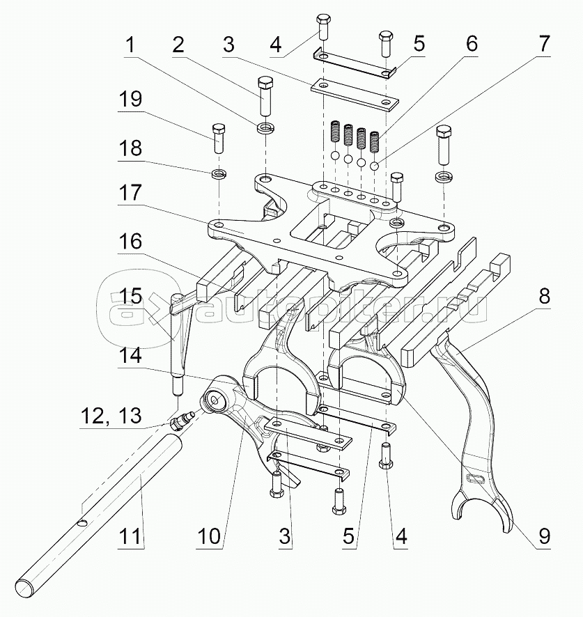
Корпус вилок механической КП. Корпус вилок 72-1700010-Б1//-01/-03/-04/-07/-08

Корпус вилок синхронизированной КП 1021-1700010-01/-05/-09/-13, 1021-1700010-07/-15, 74-1700010-01/-05/-09/-13, 74-1700010-07/-15

Механизм правого однорычажного управления КП 72-1700010-Б1//-01/-07/-08, 72-1700010-Б1-03/-04, 74-1700010-01/-05/-09/-13, 74-1700010-07/-15

Двухрычажное управление синхронизированной КП 1021-1700010-01//-05/-09/-13, 1021-1700010-07/-15

Ходоуменьшитель механический

Гидроходоуменьшитель