To content
Оптовикам
Поставщикам
Помощь по сайту
Новости
zapros@autopiter.ru
Контакты
Страна: Россия
Выберите язык
Ru — Русский
En — English
De — Deutsch
Pl — Polski
Все категории
Каталоги запчастей
Москва
Вход
Корзина
Все категории
Каталоги запчастей
Фильтры Hebel Kraft
Оригинальные каталоги по VIN
Неоригинальные запчасти
Запчасти ВАЗ, ГАЗ, КАМАЗ
Запчасти для ТО
Автомасла
Для спецтехники
Запчасти на ВАЗ, ГАЗ, Камаз и т.д.
МТЗ
МЛПТ-344
МЛПТ-344
mlpt-344
Поиск деталей
Например:
Машина лесная погрузочно-транспортная «БЕЛАРУС» МЛПТ-344,Схема деления машины на составные части
Машина лесная погрузочно-транспортная «БЕЛАРУС» МЛПТ-344
Схема деления машины на составные части
Трансмиссия
Гидроцилиндр
Блок моторно-трансмиссионный
Система питания
Система выпуска отработанных газов
Система охлаждения
Трансмиссия
Сцепление
Коробка передач
Редуктор
Ходовая часть
Мост задний
Рама
Колеса
Гидросистема
Гидросистема
Механизмы управления
Управление рулевое
Тормоза
Электрооборудование
Электрооборудование
Приборы и датчики
Кабина
Кабина
Окно ветровое и заднее
Установка кабины
Сиденье
Система кондиционирования
Принадлежности
Капот, крылья, облицовка радиатора (оперение)
Управление БД и ПЗМ
Дополнительное оборудование
Оборудование грузоподъемное
Управление приводом насоса
Принадлежности
Инструмент и принадлежности
Привод моста заднего. Шарнир двойной
Установка моста заднего
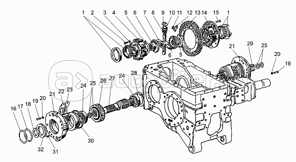
Мост задний
Вал-шестерня
Мост задний
Дифференциал. Стаканы
Дифференциал. Корпус дифференциала
Муфта блокировки. Переходник
Передача конечная
Передача конечная
Редуктор планетарный
Ступица
Крышка подшипника
Заказы на сайте принимаются и обрабатываются круглосуточно
Бесплатно доставляем заказы «до двери» оптовым клиентам 5‑6 раз в неделю нашей собственной курьерской службой
Для тех, кто забирает заказы самостоятельно мы стараемся удобно располагать наши пункты самовывоза
Оплатить все товары можно
Или выбрать другой удобный для вас способ