To content
Оптовикам
Поставщикам
Помощь по сайту
Новости
zapros@autopiter.ru
Контакты
Все категории
Каталоги запчастей
Москва
Вход
Корзина
Все категории
Каталоги запчастей
Фильтры Hebel Kraft
Оригинальные каталоги по VIN
Неоригинальные запчасти
Запчасти ВАЗ, ГАЗ, КАМАЗ
Запчасти для ТО
Автомасла
Для спецтехники
Запчасти на ВАЗ, ГАЗ, Камаз и т.д.
МТЗ
МЛПТ-354М
МЛПТ-354М
mlpt-354m
Поиск деталей
Например:
Установка кабины
Кузов
Кабина
Передок кузова
Дверь
Сидения
Вентиляция и отопление
Принадлежности
Капот, крылья, облицовка радиатора (оперение)
Двигатель
Двигатель
Система питания
Система охлаждения
Трансмиссия
Трансмиссия
Сцепление
Коробка передач
Раздаточная коробка
Карданная передача
Мост задний
Ходовая часть
Рама, бамперы и брызговики двигателя
Колеса
Механизмы управления
Рулевое управление
Тормоза
Электрооборудование
Электрооборудование
Приборы и датчики
Дополнительное оборудование
Управление приводом насоса
Принадлежности
Инструмент и принадлежности
Приложение
Машина лесная погрузочно-транспортная
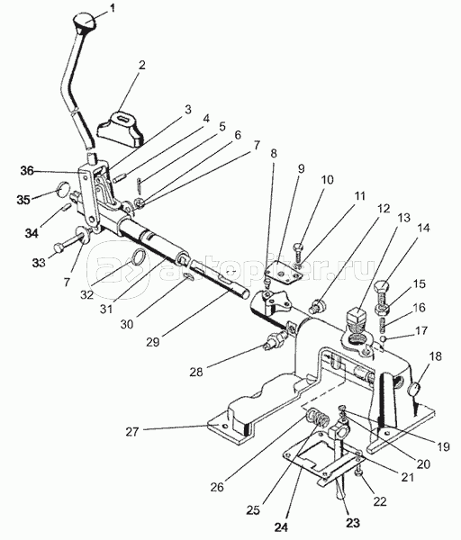
Коробка передач
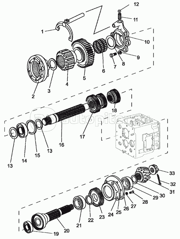
Коробка передач. Вал I и II передач
Коробка переда
Коробка передач. Вал первичный и вал вторичный
Корпус вилок
Крышка
Крышка понижающего редуктора
Заказы на сайте принимаются и обрабатываются круглосуточно
Бесплатно доставляем заказы «до двери» оптовым клиентам 5‑6 раз в неделю нашей собственной курьерской службой
Для тех, кто забирает заказы самостоятельно мы стараемся удобно располагать наши пункты самовывоза
Оплатить все товары можно
Или выбрать другой удобный для вас способ