To content
Оптовикам
Поставщикам
Помощь по сайту
Новости
zapros@autopiter.ru
Контакты
Страна: Россия
Выберите язык
Ru — Русский
En — English
De — Deutsch
Pl — Polski
Все категории
Каталоги запчастей
Москва
Вход
Корзина
Все категории
Каталоги запчастей
Фильтры Hebel Kraft
Оригинальные каталоги по VIN
Неоригинальные запчасти
Запчасти ВАЗ, ГАЗ, КАМАЗ
Запчасти для ТО
Автомасла
Для спецтехники
Запчасти на ВАЗ, ГАЗ, Камаз и т.д.
Промтрактор
Т-35.01Я
Т-35.01Я
t-35-01ya
Поиск деталей
Например:
Кабина
Кузов
Кузов
Сиденье
Вентиляция и отопление
Капот, крылья, облицовка радиатора
Двигатель
Двигатель
Система питания
Система охлаждения
Система очистки воздуха
Трансмиссия
Трансмиссия
Коробка передач
Передача карданная
Передача бортовая
Ходовая часть
Рама
Подвеска
Гусеницы и катки опорные
Механизмы управления
Управление трактором
Электрооборудование
Электрооборудование
Приборы и датчики
Дополнительное оборудование
Гидросистема
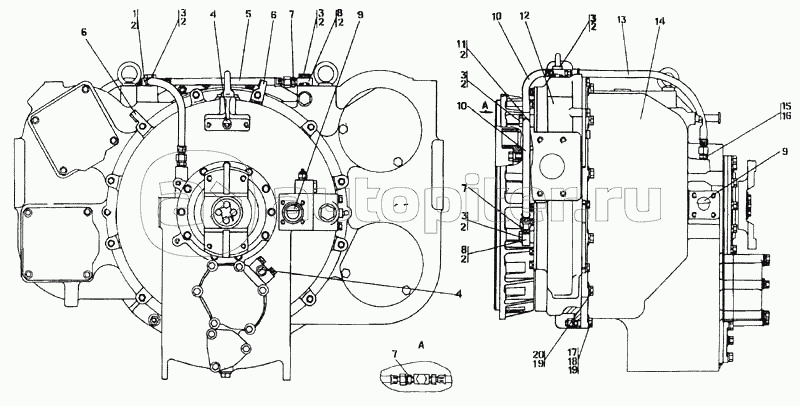
Установка трансмиссии
Установка трансмиссии
Трансмиссия
Трансмиссия
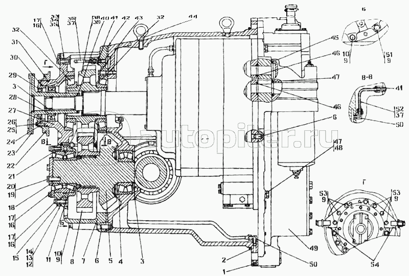
Гидротрансформатор
Установка редуктора привода насосов
Редуктор привода насосов
Заказы на сайте принимаются и обрабатываются круглосуточно
Бесплатно доставляем заказы «до двери» оптовым клиентам 5‑6 раз в неделю нашей собственной курьерской службой
Для тех, кто забирает заказы самостоятельно мы стараемся удобно располагать наши пункты самовывоза
Оплатить все товары можно
Или выбрать другой удобный для вас способ