To content
Оптовикам
Поставщикам
Помощь по сайту
Новости
zapros@autopiter.ru
Контакты
Все категории
Каталоги запчастей
Москва
Вход
Корзина
Все категории
Каталоги запчастей
Фильтры Hebel Kraft
Оригинальные каталоги по VIN
Неоригинальные запчасти
Запчасти ВАЗ, ГАЗ, КАМАЗ
Запчасти для ТО
Автомасла
Для спецтехники
Запчасти на ВАЗ, ГАЗ, Камаз и т.д.
Shantui
Каток SR20M
Каток SR20M
katok-sr20m
Поиск деталей
Например:
ENGINE MOUNTING AND ATTACHMENT
ENGINE RELATED PARTS
CLUTCH ASSEMBLY
DRIVE PARTS
DRIVE SHAFT
BRAKE SYSTEM
WHEEL, AXLE MOUNT
FRAME ANG WORK EQUIPMENT
GUARD EQUIPMENT
HYDRAULIC SYSTEM
ELECTRICAL SYSTEM
OPTION PARTS
MARK AND PLATE
CLUTCH ASSEMBLY
LUBRICATE ASSEMBLY
LUBRICATION PIPE ASS'Y
LUBRICATE ASSEMBLY 2
CLUTCH ASSEMBLY
PRESSURE PLATE ASSEMBLY
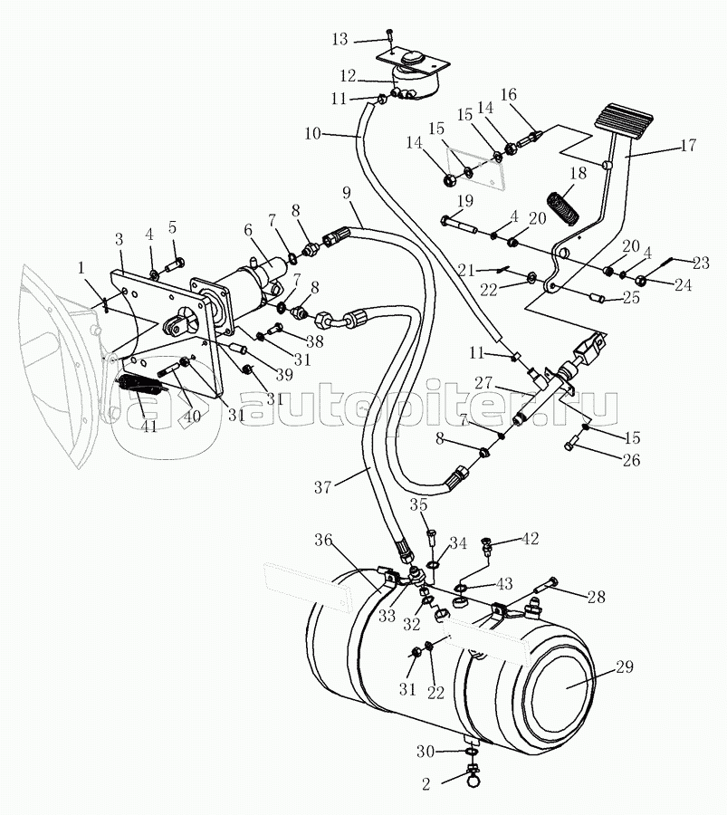
MAIN CLUTCH CONTROL
CLUTCH BOOSTER
Заказы на сайте принимаются и обрабатываются круглосуточно
Бесплатно доставляем заказы «до двери» оптовым клиентам 5‑6 раз в неделю нашей собственной курьерской службой
Для тех, кто забирает заказы самостоятельно мы стараемся удобно располагать наши пункты самовывоза
Оплатить все товары можно
Или выбрать другой удобный для вас способ