LADA Vestalada-vesta-2976
Поиск деталей
Например: 100110. ДВИГАТЕЛЬ В СБОРЕ (H4M)
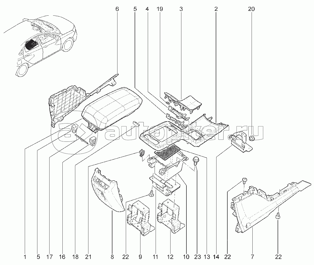
ДВИГАТЕЛЬ В СБОРЕ И ЕГО ПОДВЕСКАОСНОВНЫЕ ЭЛЕМЕНТЫ ДВИГАТЕЛЯСИСТЕМА ПОДАЧИ ТОПЛИВАСИСТЕМА ПОДАЧИ ВОЗДУХАСИСТЕМА ВЫПУСКАСИСТЕМА СМАЗКИ И ВЕНТИЛЯЦИИСИСТЕМА ОХЛАЖДЕНИЯ ДВИГАТЕЛЯГАЗО-БАЛОННОЕ ОБОРУДОВАНИЕСЦЕПЛЕНИЕКОРОБКА ПЕРЕКЛЮЧЕНИЯ ПЕРЕДАЧ (КПП)ПРИВОДА, ШРУСПОДВЕСКА ПЕРЕДНЯЯ (рычаги, ступица)СТОЙКИ и ТОРМОЗА ПЕРЕДНИЕПОДВЕСКА и БАРАБАН ЗАДНИЕАМОРТИЗАТОР и ТОРМОЗА ЗАДНИЕДИСКИ, КОЛПАКИ КОЛЕСАРУЛЕВОЕ УПРАВЛЕНИЕПРИВОД ТОРМОЗОВ и СЦЕПЛЕНИЯРЫЧАГ КПП, РУЧНОЙ ТОРМОЗБРЫЗГОВИК В СБОРЕЭЛЕМЕНТЫ КУЗОВА НИЖНИЕЭЛЕМЕНТЫ КУЗОВА ПЕРЕДНИЕЭЛЕМЕНТЫ КУЗОВА ЗАДНИЕ ВНУТРЕННИЕПАНЕЛЬ КРЫШИКРЫЛЬЯ ПЕРЕДНИЕ, ЗАЩИТА КАРТЕРАДВЕРИ БОКОВЫЕКАПОТ, ДВЕРЬ ЗАДКАПЕТЛИ, ЗАМКИ ДВЕРЕЙ, СТЕКЛОПОДЪЕМНИКОРНАМЕНТЫПРИВОД ОТКРЫТИЯ КАПОТА И КРЫШКИ БАГАЖНИКАСТЕКЛАОБВЕС КУЗОВА ВНЕШНИЙ (бампера, щитки, молдинги)ЗЕРКАЛАПАНЕЛЬ ПРИБОРОВ, ПОДУШКА ПАССАЖИРАПРИНАДЛЕЖНОСТИ САЛОНАРЕМНИ БЕЗОПАСНОСТИУПРАВЛЕНИЕ ВЕНТИЛЯЦИЕЙ И ОТОПЛЕНИЕМКЛИМАТИЧЕСКАЯ УСТАНОВКАЗАГЛУШКИ, УПЛОТНИТЕЛИ КАПОТАУПЛОТНИТЕЛИ ДВЕРЕЙУПЛОТНИТЕЛИ СТЕКОЛШУМОИЗОЛЯЦИЯ КОВРИК ПОЛА И БАГАЖНИКАНАКЛАДКИ САЛОНА, ОБИВКА КРЫШИОБИВКИ ДВЕРЕЙ, ЗАДКА, НАКЛАДКИ ПОРОГОВСИДЕНИЯ В СБОРЕ, ЧАСТИ ПЕРЕДНИХ СИДЕНИЙЧАСТИ ЗАДНИХ СИДЕНИЙПОДУШКА, СПИНКА ПЕРЕДНИХ СИДЕНИЙПОДУШКА, СПИНКА ЗАДНИХ СИДЕНИЙФАРЫ, ПРОТИВОТУМАНКИ, АКБФОНАРИ ЗАДНИЕ, ОСВЕЩЕНИЕ САЛОНА, БАГАЖНИКАСИГНАЛЫКОМБИНАЦИЯ ПРИБОРОВВЫКЛЮЧАТЕЛЬ ЗАЖИГАНИЯ, КЛЮЧИ, ПЕРЕКЛЮЧАТЕЛИСТЕКЛООЧИСТИТЕЛИ,ОМЫВАТЕЛИСИСТЕМА ПАРКОВКИ,АУДИО, МЕДИА-СИСТЕМАБЛОКИ ЭЛЕКТРОННЫЕ,РЕЛЕЭЛЕКТРООБОРУДОВАНИЕ ДВИГАТЕЛЯЖГУТЫ ПРОВОДОВИНСТРУМЕНТ (ДОМКРАТ, КЛЮЧИ)АКСЕССУАРЫ






