To content
Оптовикам
Поставщикам
Помощь по сайту
Новости
zapros@autopiter.ru
Контакты
Страна: Россия
Выберите язык
Ru — Русский
En — English
De — Deutsch
Pl — Polski
Все категории
Каталоги запчастей
Москва
Вход
Корзина
Все категории
Каталоги запчастей
Фильтры Hebel Kraft
Оригинальные каталоги по VIN
Неоригинальные запчасти
Запчасти ВАЗ, ГАЗ, КАМАЗ
Запчасти для ТО
Автомасла
Для спецтехники
Запчасти на ВАЗ, ГАЗ, Камаз и т.д.
ВАЗ
LADA Vesta CROSS NG
LADA Vesta CROSS NG
lada-vesta-cross-ng
Поиск деталей
Например:
100110. Двигатель в сборе (H4M)
Двигатель, системы двигателя
Двигатель в сборе, подвеска двигателя
Основные элементы двигателя
Система подачи топлива
Система подачи воздуха
Система выпуска
Система смазки и вентиляции
Система охлаждения двигателя
Электрооборудование двигателя, датчики
Газо-балонное оборудование
Трансмиссия
Сцепление
Коробка передач
Привод передних колес
Подвеска, тормоза, рулевое управление, колеса
Подвеска передняя
Подвеска задняя
Ступицы и колеса
Система тормозов
Рулевое управление
Кузов
Брызговик в сборе
Элементы кузова нижние
Элементы кузова передние
Элементы кузова боковые
Элементы кузова задние внутренние
Панель крыши
Двери, замки, петли, ручки
Стекла, уплотнители, стеклоподъемники
Капот, дверь задка
Защита двигателя
Интерьер, экстерьер
Обвес кузова внешний (бампера, щитки, молдинги)
Орнаменты, накладки порогов
Зеркала
Панель приборов
Принадлежности салона
Система безопасности
Шумоизоляция, коврики
Обивки стоек, крыши, дверей
Полка багажника
Рейлинги
Климатическая система
Отопитель, климат-система
Компрессор кондиционера, трубки
Сиденья
Комплекты сидений (Информационно, не поставляются)
Сиденья передние
Сиденья задние
Электрооборудование
Фары, фонари, освещение салона
Сигнал звуковой, переключатели подрулевые
Принадлежности панели приборов
Мультимедиа
Выключатели
Стеклоочистители, омыватели
Система парковки
Блоки электронные, контроллеры, реле
Жгуты проводов
Инструмент и аксессуары
Инструмент
Аксессуары
601010. Воздуховоды
601110. Воздуховоды (FL)
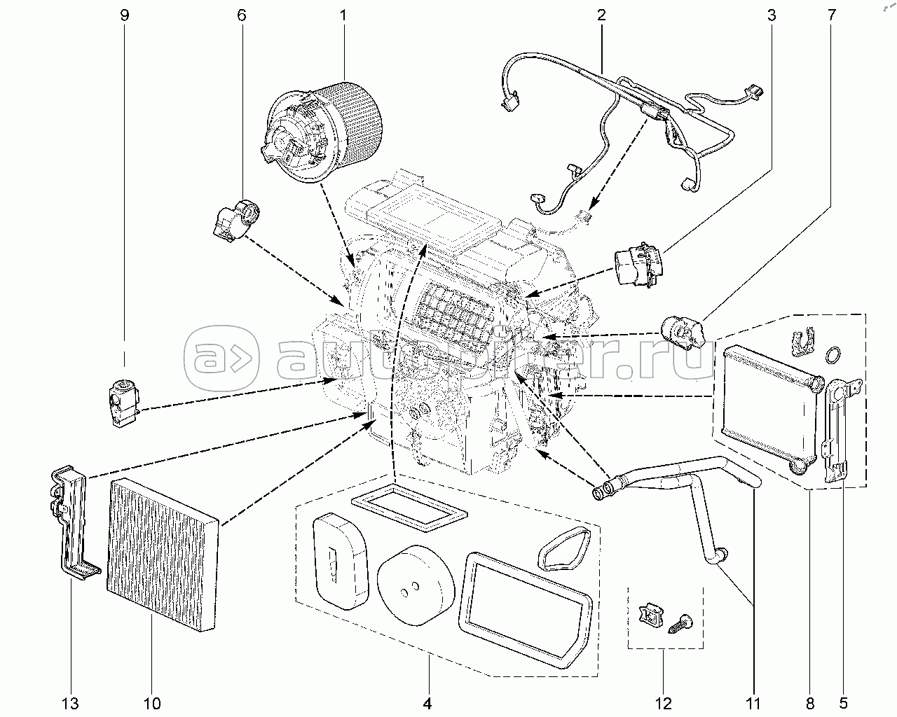
602110. Отопитель в сборе
603110. Отопитель (деталировка)
604110. Панель упраления отопителем
604210. Панель упраления отопителем (FL)
Заказы на сайте принимаются и обрабатываются круглосуточно
Бесплатно доставляем заказы «до двери» оптовым клиентам 5‑6 раз в неделю нашей собственной курьерской службой
Для тех, кто забирает заказы самостоятельно мы стараемся удобно располагать наши пункты самовывоза
Оплатить все товары можно
Или выбрать другой удобный для вас способ