To content
Оптовикам
Поставщикам
Помощь по сайту
Новости
zapros@autopiter.ru
Контакты
Страна: Россия
Выберите язык
Ru — Русский
En — English
De — Deutsch
Pl — Polski
Все категории
Каталоги запчастей
Москва
Вход
Корзина
Все категории
Каталоги запчастей
Фильтры Hebel Kraft
Оригинальные каталоги по VIN
Неоригинальные запчасти
Запчасти ВАЗ, ГАЗ, КАМАЗ
Запчасти для ТО
Автомасла
Для спецтехники
Запчасти на ВАЗ, ГАЗ, Камаз и т.д.
ВАЗ
ВАЗ-2121 (NIVA)
ВАЗ-2121 (NIVA)
vaz-2121-niva
Поиск деталей
Например:
Кузов
Кузов
Кузов
Пол кузова
Окно ветровое и заднее
Передок кузова
Боковина кузова
Дверь передняя
Дверь задка
Сиденья
Вентиляция и отопление
Принадлежности
Капот, крылья, облицовка радиатора
Двигатель
Двигатель
Система питания
Система выпуска отработанных газов
Система охлаждения
Трансмиссия
Сцепление
Коробка передач
Коробка раздаточная
Передача карданная
Мост передний
Мост задний
Ходовая часть
Рама, бамперы и брызговики двигателя
Подвеска
Ось передняя
Колеса
Механизмы управления
Управление рулевое
Тормоза
Электрооборудование
Электрооборудование
Приборы и датчики
Принадлежности
Инструмент и принадлежности
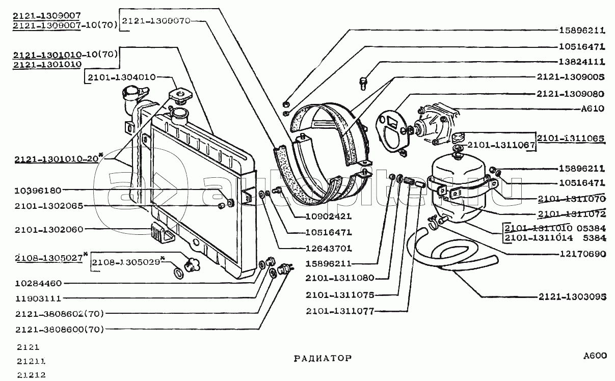
Радиатор
Насос водяной и трубопроводы
Насос водяной
Привод водяного насоса
Заказы на сайте принимаются и обрабатываются круглосуточно
Бесплатно доставляем заказы «до двери» оптовым клиентам 5‑6 раз в неделю нашей собственной курьерской службой
Для тех, кто забирает заказы самостоятельно мы стараемся удобно располагать наши пункты самовывоза
Оплатить все товары можно
Или выбрать другой удобный для вас способ