Д-144d-144
Поиск деталей
Например: Остов двигателя

Топливопроводы (в комплектации с компрессором и без него)

Фильтр топливный грубой очистки А23.20.000-01

Воздухоочиститель Д37Е-1109012A4-03

Насос топливный и его привод (без компрессора)

Установка компрессора с топливным насосом и их привод

Компрессор А29.02.000Б-02

Насос топливоподкачивающий 21.1106010-01

Регулятор топливного насоса

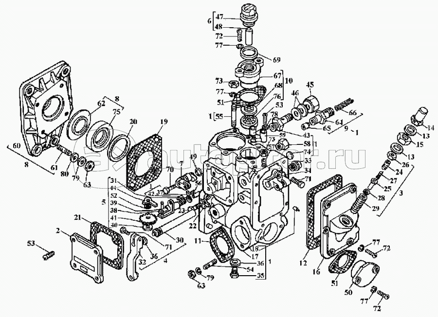
Корпус топливного насоса

Секция высокого давления 21.1111010-10

Вал 54.1111080

Форсунка 16.1112010

Фильтр топливный тонкой очистки А65.01.000