YZC7yzc7
Поиск деталей
Например: 400010 Рама
XCMG YZC7

400010 Рама

407010 Рама

400200 Сцепное устройство системы рулевого управления

402081 Барабан

40С004 Барабан

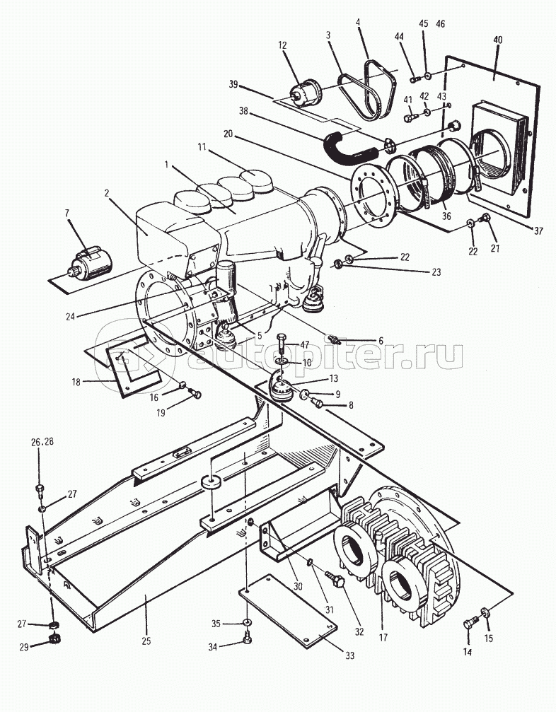
402170 Привод барабана

40С020 Привод барабана

400030 Верхняя секция

400040 Платформа оператора

407870 Платформа оператора

404060 Приборы и органы управления

400050 Электрическая система

407172 Электрическая система

406815 Электрические приборы

406845 Правый пульт управления

406885 левый пульт управления

400060 Система управления

407955 Система управления

404920 Рычаг управления направлением движения (вперед-назад)

405180 Оросительная система

407215 Оросительная система

405280 Шланг разбрызгивателя

407345 Шланг разбрызгивателя

407275 Водный насос

400080 Скребки

400090 Двигатель

407376 Двигатель

406000 Воздухоочиститель

406440 Крышка топливного бака

407993 Крышка топливного бака

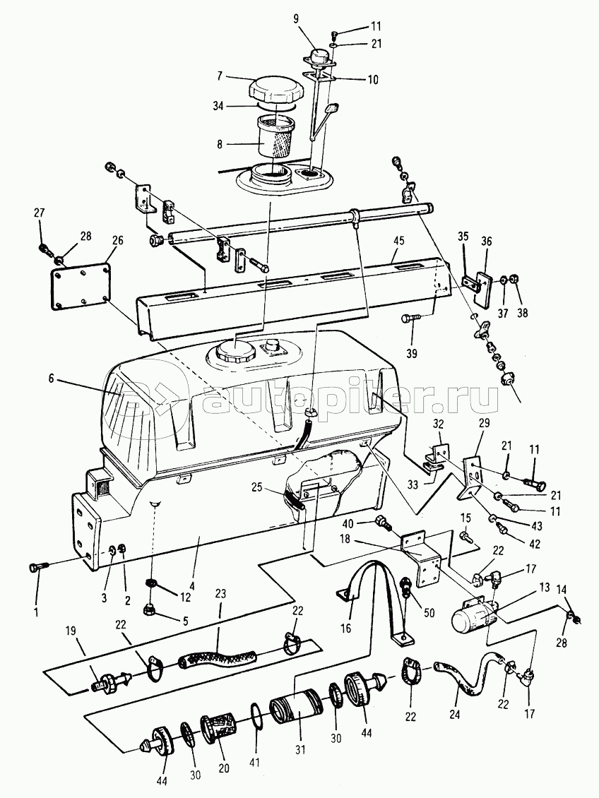
406985 Топливная система

407381 Топливная система

406140 Система удаления отработанных газов

204095 привод насоса

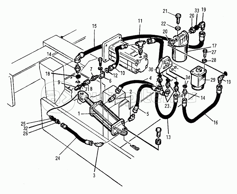
400100 Гидравлическая система силовой установки

407442 Гидравлическая система силовой установки

40С035 Гидравлическая система силовой установки

401211 Гидравлическая вибрационная система

409001 Гидравлическая вибрационная система

401450 Крышка резервуара

401540 Крышка резервуара

401511 Гидравлическая система рулевого управления

407071 Гидравлическая система рулевого управления

401741 Гидравлическая тормозная система

407076 Гидравлическая тормозная система

400130 Кабина

407110 Крыло барабана

401951 Шильды и таблички

407081 Шильды и таблички

400136 Запасные части и инструменты