YC4E135-21 (E02D1)yc4e135-21-e02d1
Поиск деталей
Например: E0400-1002010 Блок цилиндров в сборе
ДвигательСистема питанияСистема охлажденияБлок выхода мощностиНасос гидроусилителя руляКомпрессорЭлектрооборудованиеПриложение

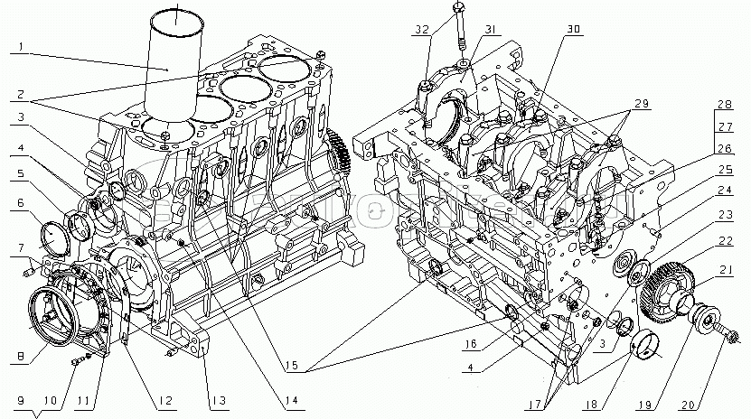
E0400-1002010 Блок цилиндров в сборе

E1202-1002200 Части корпуса шестерни

E12D6-1003000 Головка цилиндров и крышка головки цилиндров в сборе

E0400-1004000 Поршень и шток поршня в сборе

E02D1-1005000 Амортизатор вибрации коленвала в сборе

530-1006000 Части распределительного вала

530-1007000 Система управления клапанами в сборе

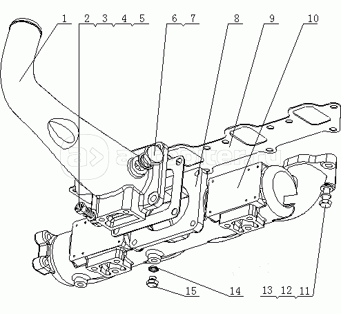
E1202-1008100 Детали впускного коллектора

1575-1008200 Детали выпускного коллектора

E05FA-1009000 Масляный поддон в сборе

530-1028000 Индикатор уровня масла в сборе

530-1010000C Масляный фильтр

1530-1011000 Масляный насос в сборе

530-1012000 Масляный фильтр в сборе

E1202-1013000 Маслоохладитель в сборе

E05JA-1014000 Вентиляционная система картера в сборе