ZAZ Senszaz-sens
Поиск деталей
Например: Двигатель в сборе (FAM I SOHC)

Механическая коробка передач

Детали коробки передач

Ведомый вал коробки передач

Ведущий вал и шестерня заднего хода

Опора подшипников

Механизм переключения передач и корпус коробки передач

Дифференциал

Автоматическая коробка передач

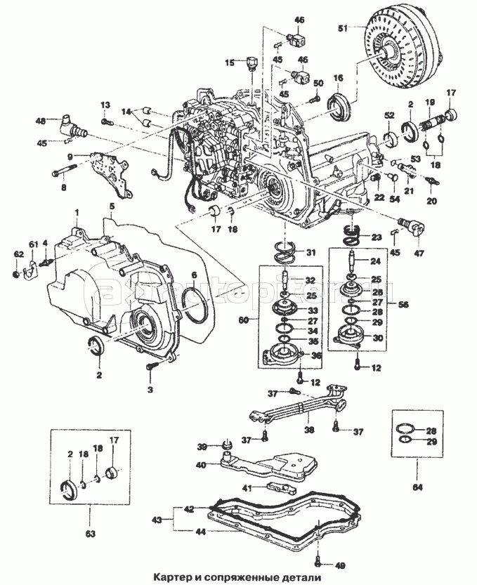
Картер и сопряженные детали

Внутренние детали коробки передач

Муфта включения заднего хода

Муфта включения прямой передачи и торможения двигателем

Муфта включения переднего хода

Муфта включения переднего хода

Муфта ведомой звездочки в сборе

Парковочный замок и стопорный рычаг

Механизм управления переключением передач (МКПП)

Механизм управления переключением передач (АКПП)