ЗИЛ-3250zil-3250-937
Поиск деталей
Например: Двигатель и его подвеска

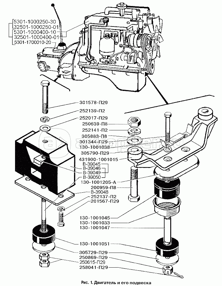
Двигатель и его подвеска

Блок цилиндров, крышка распределительных шестерен

Головка блока цилиндров, клапаны и толкатели двигателя Д-245.12С

Головка блока цилиндров, клапаны и толкатели двигателя Д-245.9Е2

Поршень, шатун, коленчатый вал и маховик двигателя Д-245.12С

Поршень, шатун, коленчатый вал и маховик двигателя Д-245.9Е2

Распределительный механизм

Электрофакельный подогреватель дизеля Д-245.12С

Масляный картер

Масляный насос, приемник масляного насоса

Масляный фильтр (центрифуга) (вариант 1)

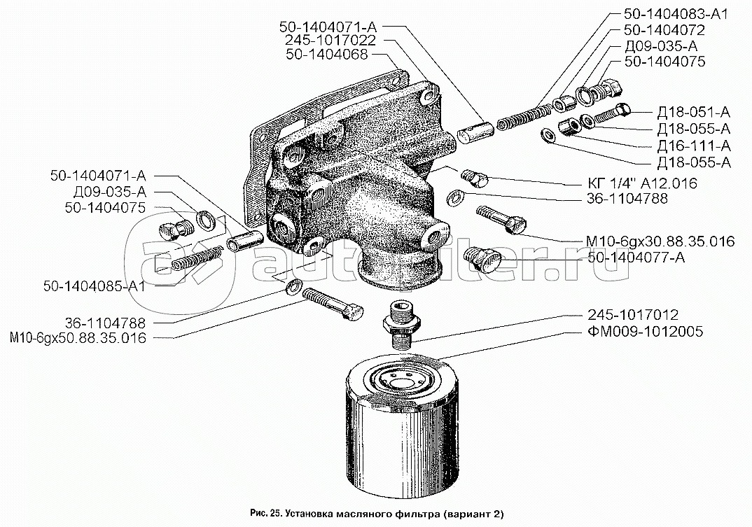
Установка масляного фильтра (вариант 2)

Установка масляного радиатора дизеля Д-245.12С

Установка масляного радиатора дизеля Д-245.9Е2