ЗИЛ-433110zil-433110
Поиск деталей
Например: Двигатель и его подвеска

Схема электрооборудования

Генератор переменного тока 323701

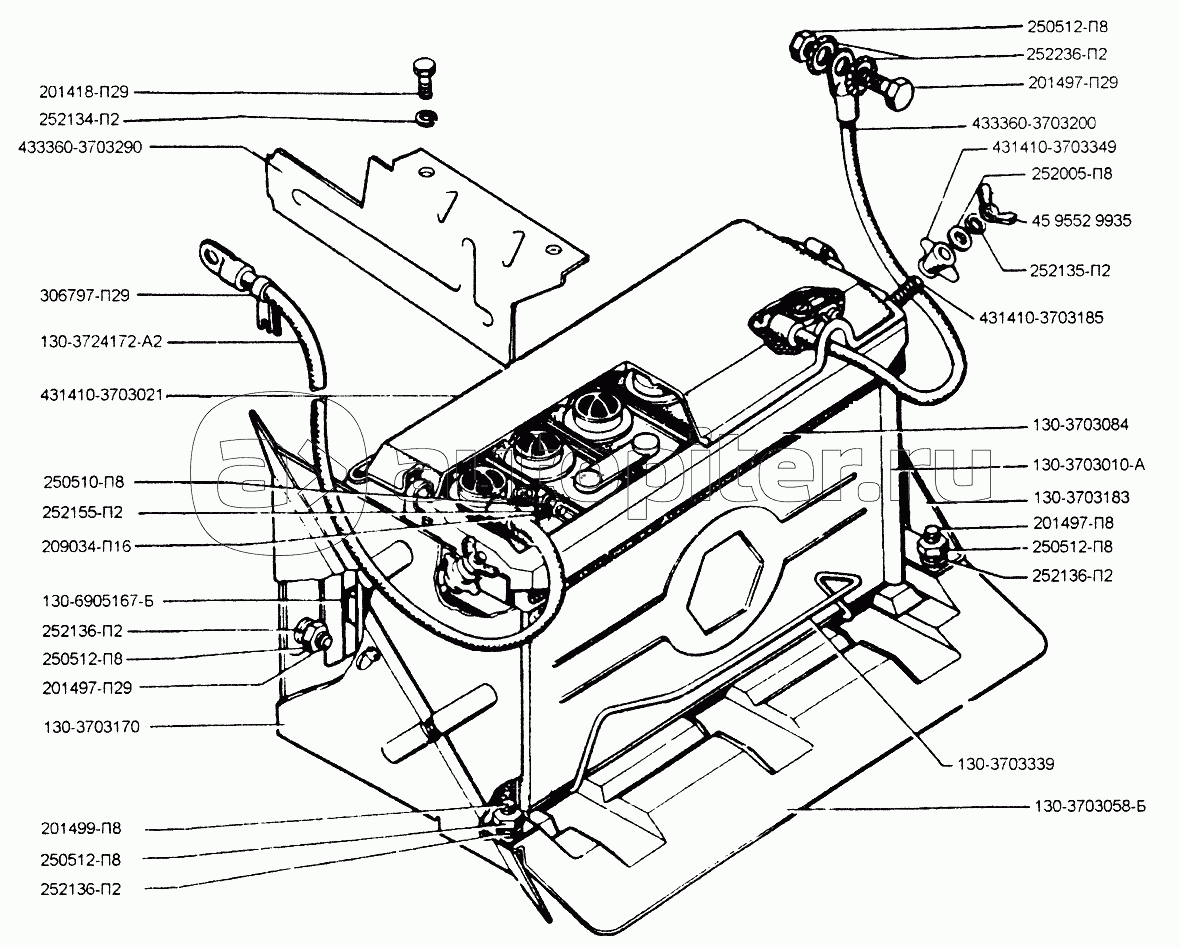
Установка аккумуляторной батареи

Установка приборов зажигания

Распределитель 463706

Установка стартера

Стартер СТ230К1

Фара, передний фонарь, плафон, фонарь кабины, фонарь указателей поворота и сигнальный фонарь

Задние фонари автомобилей ЗИЛ-433360, ЗИЛ-433110 и ЗИЛ-494560

Переносная и подкапотная лампы

Установка звукового сигнала

Установка предохранителей и реле