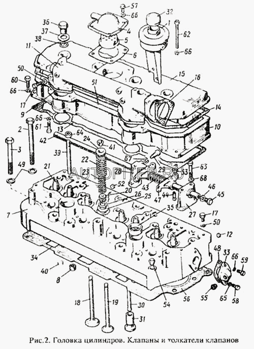
Штанга толкателя клапана д240 длина 365мм
87 предложенийПроизводители:
Bf
Blumaq
CNH
Createk
Ctp
Cummins
Daewoo
Dong Feng
Doosan
Dph
Faw
Haffen
Howo
ISG
ITR
Ikarus
Isuzu
Jac
KMP Brand
Nbn
O.E.M.
Prc
SDLG
Sampa
Sat
Scania
Shaanxi/Shacman
Shark
Sin Parts
Tatra
Weichai
XGMA
Yuchai
БЗА
Газ
Запчасть
Зил
Змз
Камаз
Китай
Ммз
Россия
ТМЗ
Уаз
ЧТЗ
