ГАЗ-2217 (Соболь)gaz-2217-sobol
Поиск деталей
Например: Крепление кузова

Отопитель передний, шланги и патрубки обогрева и вентиляции, короб воздухозаборника

Корпус, радиатор и электродвигатель с роторами переднего отопителя, привод вентиляции и отопления

Кожух и крышка, заслонки переднего отопителя

Управление вентиляцией и отоплением, центральный переключатель освещения

Отопитель задний автобусов, ограждение отопителя 10-местного автобуса, радиатор, электродвигатель с вентилятором: I - для 6-местного автобуса, II -для 10-местного автобуса

Отопитель задний автомобиля-фургона, ограждение отопителя, радиатор, электродвигатель с вентилятором

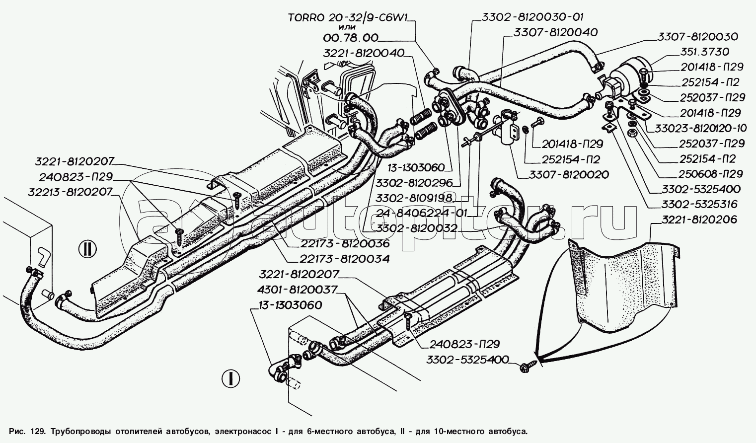
Трубопроводы отопителей автобусов, электронасос I - для 6-местного автобуса. II -для 10-местного автобуса

Трубопроводы отопителей автомобиля-фургона, электронасос