ГАЗ-2217 (Соболь)gaz-2217-sobol
Поиск деталей
Например: Крепление кузова

Подвеска двигателя ЗМЗ-4063

Подвеска двигателя ГАЗ-560

Блок и головка цилиндров, датчик синхронизации и скорости вращения системы управления зажиганием двигателя ЗМЗ-4063

Блок цилиндров и картер, корпус распределительного вала, крышка маслоналивного отверстия, штифтовые запальные свечи двигателя ГАЗ-560

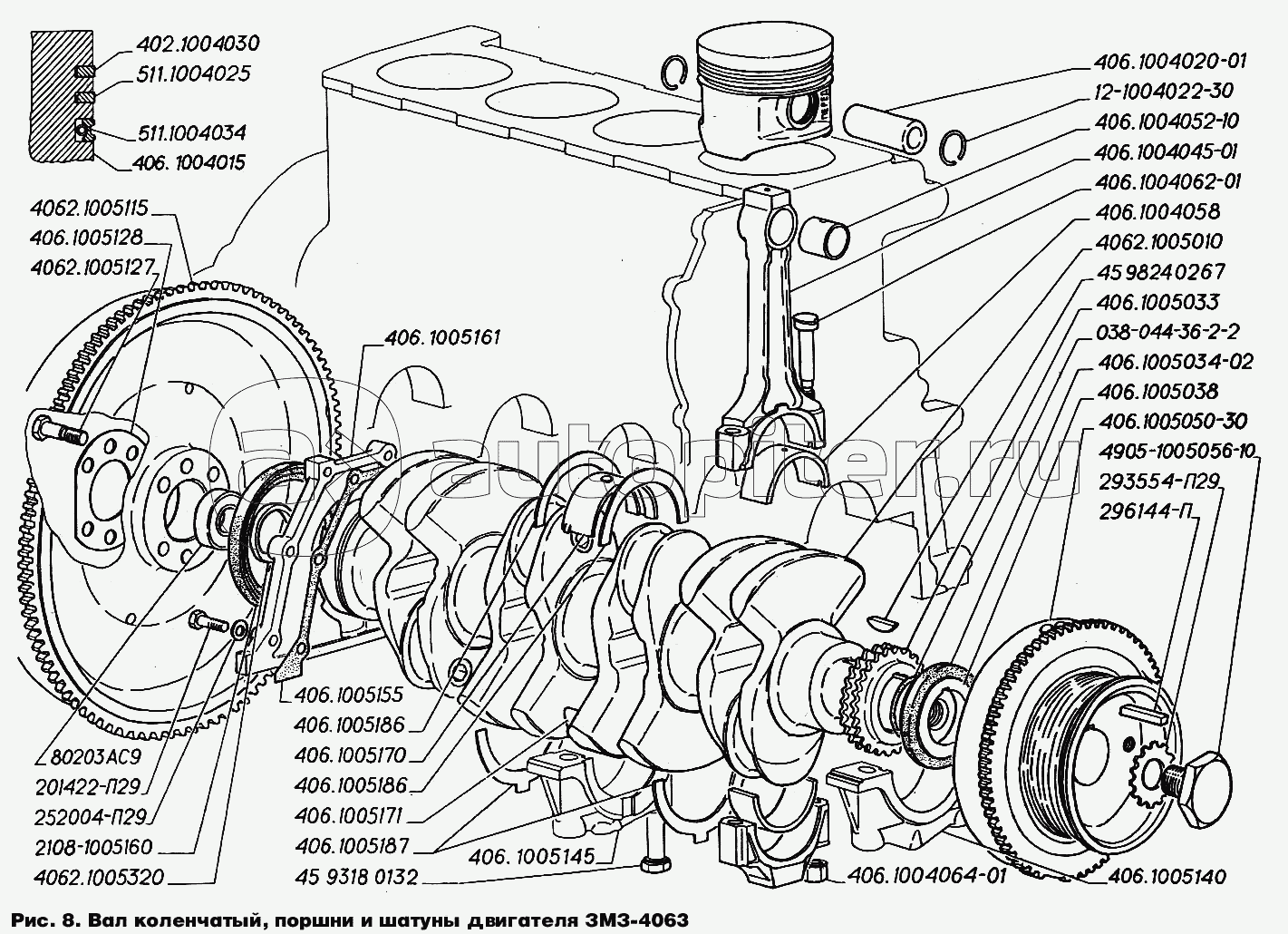
Вал коленчатый, поршни и шатуны двигателя ЗМЗ-4063

Вал коленчатый, поршни и шатуны, кольцо опорное заднее двигателя ГАЗ-560

Валы распределительные и цепной привод распредвалов двигателя ЗМЗ-4063

Клапаны и толкатели клапанов, крышка клапанов, катушки зажигания, провода и свечи, крышка маслоналивного патрубка двигателя ЗМЗ-4063

Вал распределительный, ось коромысел, насос-форсунки и клапаны, сервомагнит с датчиком положения рейки и датчик числа оборотов системы управления двигателем ГАЗ-560

Ременный привод распределительного вала, вентилятор с муфтой, крышки зубчатого ремня и опора вентилятора двигателя ГАЗ-560

Насос масляный и его привод, фильтр очистки масла, картер, указатель уровня масла, датчики давления и аварийного давления масла двигателя ЗМЗ-4063

Маслоприемник и насос масляный, кольцо опорное переднее двигателя ГАЗ-560

Фильтр масляный, масляный радиатор, маслоотделитель, датчики давления и аварийного давления масла двигателя ГАЗ-560

Указатель уровня масла, перепускной клапан топливной магистрали, трубки топливные моноблока, сливной краник охлаждающей жидкости на моноблоке двигателя ГАЗ-560

Газопровод двигателя ЗМЗ-4063