МТ-ЛБmt-lb
Поиск деталей

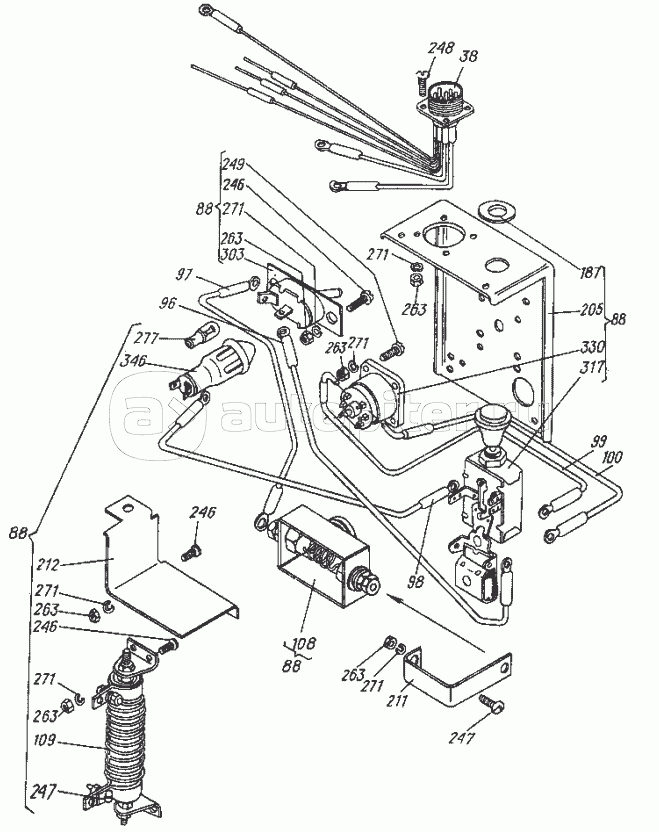
Электрооборудование 6.50.001-1

Электрооборудование 6.50.001-1

Электрооборудование 6.50.001-1

Электрооборудование 6.50.001-1

Электрооборудование 6.50.001-1

Электрооборудование 6.50.001-1

Электрооборудование колпака 6.50.002

Прожектор и сигнал. Установка 6.50.030

Установка фар и подфарников 5.50.031

Установка электрооборудования подогревателя 6.50.023-2

Стеклоочистители 6.50.024-1

Установка щитка отопителя 6.50.032

Розетка внешнего запуска А5.50.097А

Щиток отопителя 6.50.057

Установка генератора 8.84.001