To content
Оптовикам
Поставщикам
Помощь по сайту
Новости
zapros@autopiter.ru
Контакты
Все категории
Каталоги запчастей
Москва
Вход
Корзина
Все категории
Каталоги запчастей
Фильтры Hebel Kraft
Оригинальные каталоги по VIN
Неоригинальные запчасти
Запчасти ВАЗ, ГАЗ, КАМАЗ
Запчасти для ТО
Автомасла
Для спецтехники
Запчасти на ВАЗ, ГАЗ, Камаз и т.д.
ХТЗ
МТ-ЛБ
МТ-ЛБ
mt-lb
Поиск деталей
Например:
Легкий многоцелевой гусеничный транспортер-тягач МТ-ЛБ
Легкий многоцелевой гусеничный транспортер-тягач МТ-ЛБ
Общий вид изделия
Кузов
Сиденья и оборудование платформы
Корпус
Башенная установка
Смотровые приборы
Двигатель
Двигатель
Система питания
Система охлаждения
Система выпуска отработавших газов
Система вентиляции и отопления
Трансмиссия
Редуктор промежуточный
Карданная передача трансмиссии
Бортовая передача
Механизмы управления
Управление двигателем
Управление главной передачей
Управление механизмами поворота, сцеплением и тормозами
Тормоза
Ходовая часть
Колеса
Подвеска
Тягово-сцепное устройство
Пневмосистема
Пневмосистема
Принадлежности
Электрооборудование
Электрооборудование
Приборы и датчики
Специальное оборудование
Установка спецоборудования
Фильтровентиляционная установка
Инструменты и принадлежности
Укладка
Групповой комплект
Прочее
Приложение
Подшипники
Нормали
Главная передача. Установка 8.10.001
Главная передача 8.10.002
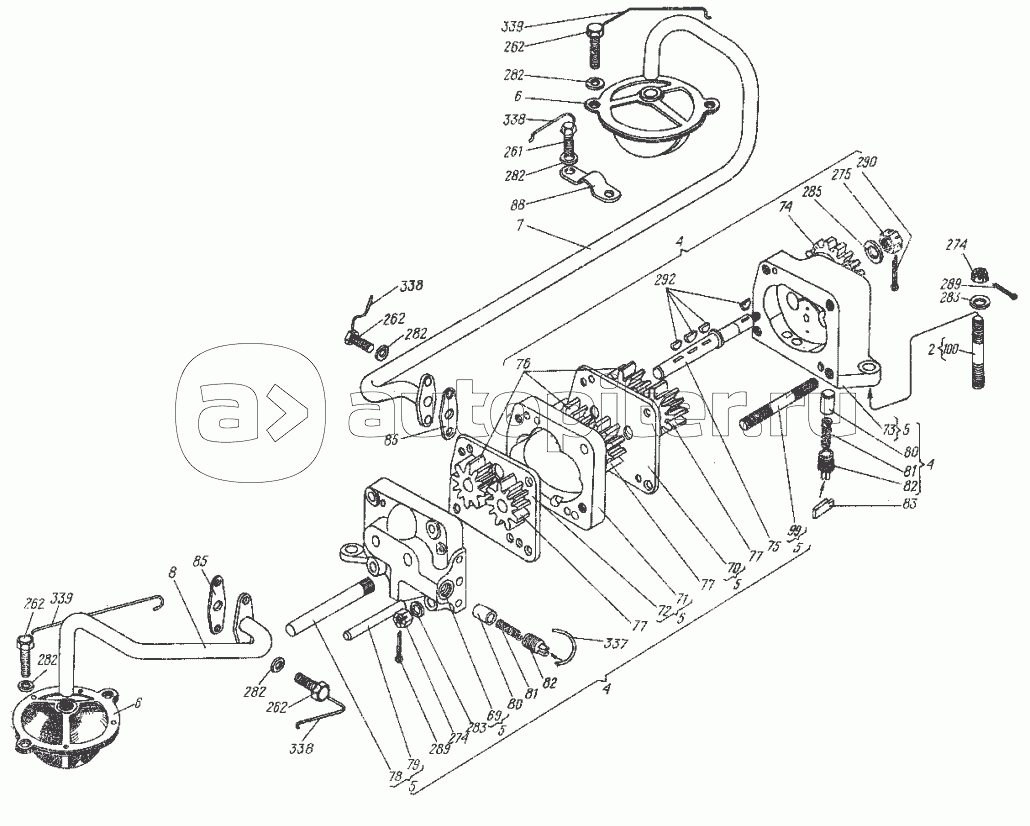
Главная передача 8.10.002
Главная передача 8.10.002
Вал передаточный с шестернями 8.10.021
Вал главный с шестернями 8.10.030
Механизм поворота левый 8.10.040
Механизм поворота правый 8.10.041
Фрикцион левый 8.10.050
Фрикцион правый 8.10.051
Заказы на сайте принимаются и обрабатываются круглосуточно
Бесплатно доставляем заказы «до двери» оптовым клиентам 5‑6 раз в неделю нашей собственной курьерской службой
Для тех, кто забирает заказы самостоятельно мы стараемся удобно располагать наши пункты самовывоза
Оплатить все товары можно
Или выбрать другой удобный для вас способ