КрАЗ-6446kraz-6446
Поиск деталей
Например: Кабина в сборе и крепление кабины

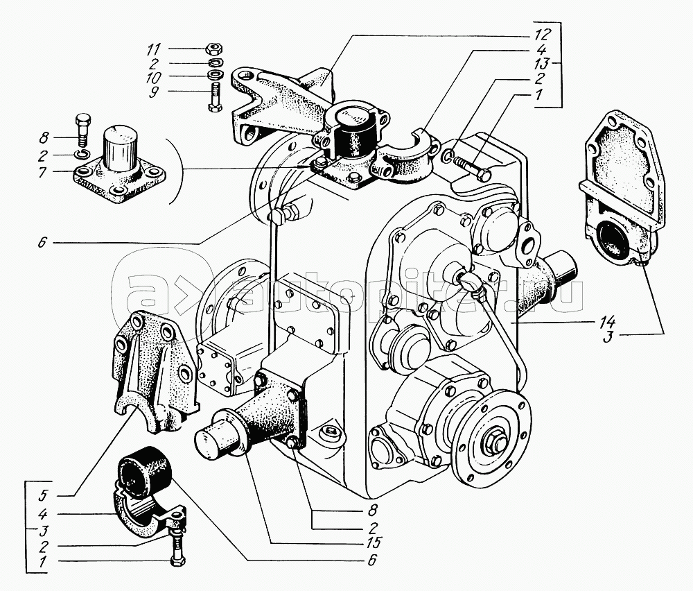
Подвеска раздаточной коробки

Картеры и крышки раздаточной коробки

Вал первичный в сборе

Вал промежуточный и масляный насос

Валы привода переднего и среднего мостов

Вал привода отбора мощности и механизм включения

Привод отбора мощности от первичного вала

Воздухопроводы управления раздаточной коробкой, коробкой отбора мощности и блокировкой дифференциалов мостов