РАФ-22038-2raf-22038-2
Поиск деталей

340. Управление рулевое\Механизм рулевого управления в сборе, вал карданный и колонка рулевого управления, выключатель зажиг

340. Управление рулевое\Механизм рулевого управления

340. Управление рулевое\Колонка рулевого управления

340. Управление рулевое\Колесо рулевое, кожухи рулевой колонки, переключатель трехрычажный, выключатель звукового сигнала

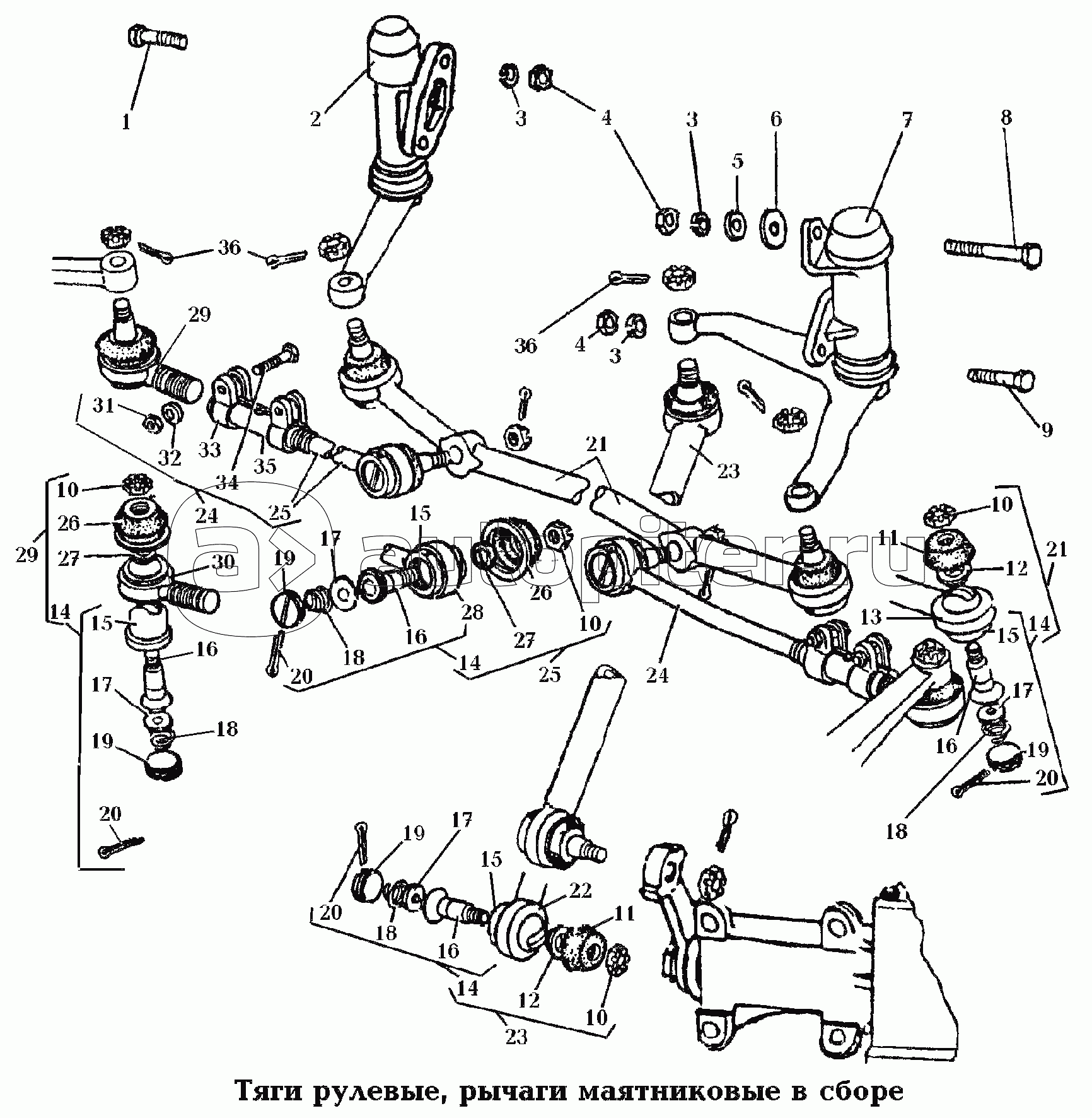
341. Тяги рулевые\Тяги рулевые, рычаги маятниковые в сборе

341. Тяги рулевые\Рычаги маятниковые