РАФ-22038-2raf-22038-2
Поиск деталей
Электрооборудование

370. Электрооборудование\Генератор в сборе

370. Электрооборудование\Генератор

370. Электрооборудование\Выключатель массы электромагнитный

370. Электрооборудование\Катушка зажигания, датчик-распределитель в сборе, свечи и провода зажигания

370. Электрооборудование\Датчик - распределитель зажигания

370. Электрооборудование\Стартер

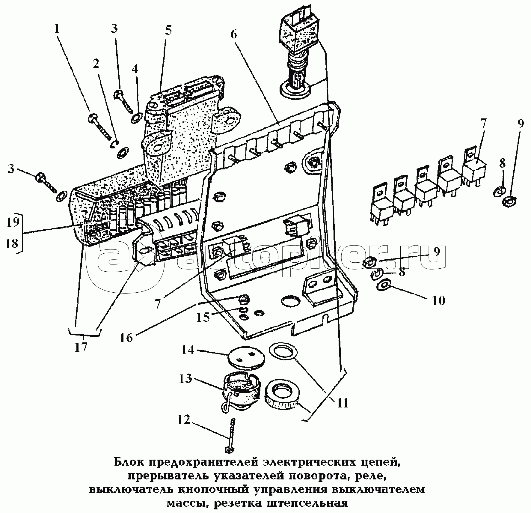
370. Электрооборудование\Блок предохранителей электрических цепей, прерыватель указателей поворота, реле, выключатель кнопочн

370. Электрооборудование\Фары, фароочистители, указатели поворота передние и боковые, фары противотуманные

370. Электрооборудование\Фонари задние, указатели поворота задние, катафоты, фонари освещения номерного знака

370. Электрооборудование\Плафоны внутреннего освещения, выключатель плафона дверной

370. Электрооборудование\Приборы электрооборудования: сигналы звуковые, резистор добавочный, регулятор напряжения, коммутатор

370. Электрооборудование\Колодка соединительная восьмиконтактная

370. Электрооборудование\Колодка соединительная шестиконтактная

370. Электрооборудование\Колодка соединительная пятиконтактная

370. Электрооборудование\Комбинация приборов, облицовка панели приборов, выключатели и переключатели на панели приборов, вал